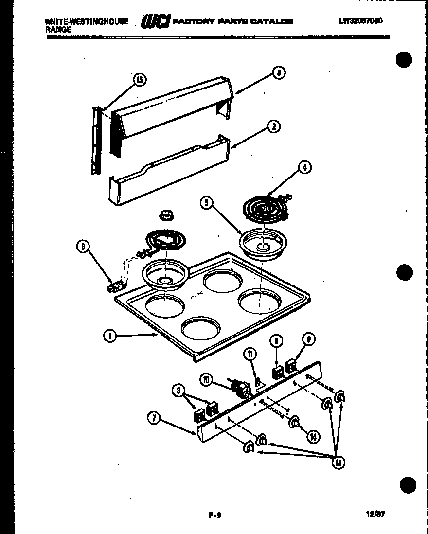
KF201HDD2 02 – COOKTOP PARTSadmin2025-04-26T10:10:02+00:00KF201HDD2 02 – COOKTOP PARTS ProductsPositionProduct1WCI 30145422WCI 30162123WCI Q0003019264318372210 Frigidaire Oven Range 6" 1250W Surface Element4316442300 Frigidaire Oven 2100W Coil Element 85316048413 Frigidaire Oven Range Chrome 8" Drip Bow5316048414 Frigidaire Oven Range Chrome 6" Drip Bowl65303935058 Frigidaire Oven Burner Receptacle Kit7PANEL SWITCH-ALMOND85303935086 Frigidaire Oven Top Burner Switch Kit10WCI 301518411INDICATOR LIGHT12KNOB-TOP ELEMENT (4)14WCI 305103015BRACE RH & LH16MEDALLION