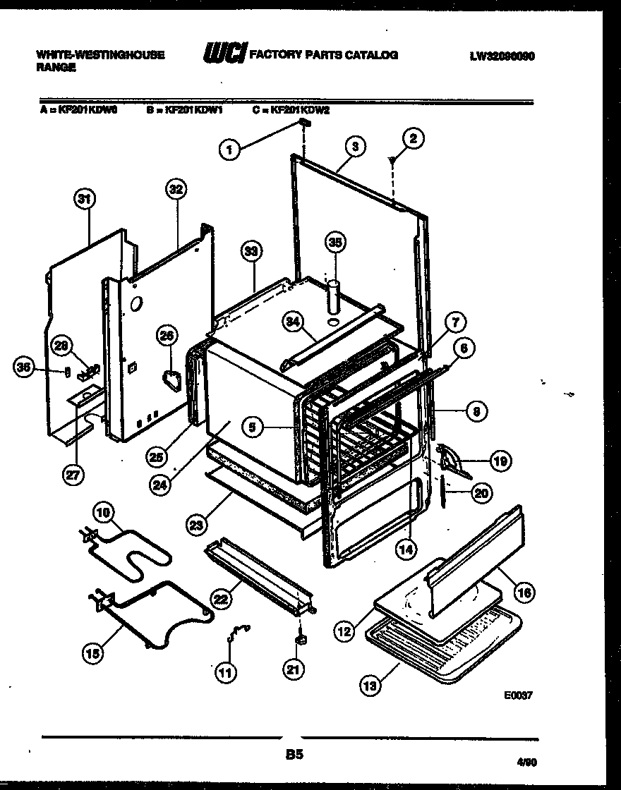
KF201KDW2 04 – BODY PARTSadmin2025-04-26T10:09:10+00:00KF201KDW2 04 – BODY PARTS ProductsPositionProduct*10139CLIP-CAPILLARY (NON-ILLUSTRATED)*10139ANTI-TIP KIT1GROMMET MAIN TOP2GROMMET3PANEL-BODYSIDE (WHITE) (2)3WCI 080140195DWCI 30177205CWCI 30177105BWCI 30177085ALINER-LEFTSIDE5LINER-RIGHT SIDE6SUPPORT-CONTROL PNL7FRAME-FRONT8SEAL - OVEN DOOR10WCI 305107111WCI 300944512BROILER GRID13WCI 301697314WCI 301615815WCI 305107616PANEL-FALSE, WHITE19A318348801 Frigidaire Oven Left Side Door Hinge19WCI 320467020SPRING DOOR (2)21WCI 305108022BASE RAIL23PAN BOTTOM24INSUL WRAP25INSUL BACK26SUPPORT-REAR OVN (2)27SUPPORT-CONDUIT285304409888 Frigidaire Oven Terminal Block with Hardware31COVER-WIRE31COVER-WIRE32BACK MAIN33BURNER BOX-BTM34SHIELD35TUBE-VENT36STRAP-GROUND