| *94441 | WCI K5044001 |
| *94442 | WCI K5044101 |
| *94440 | WCI K5044102 |
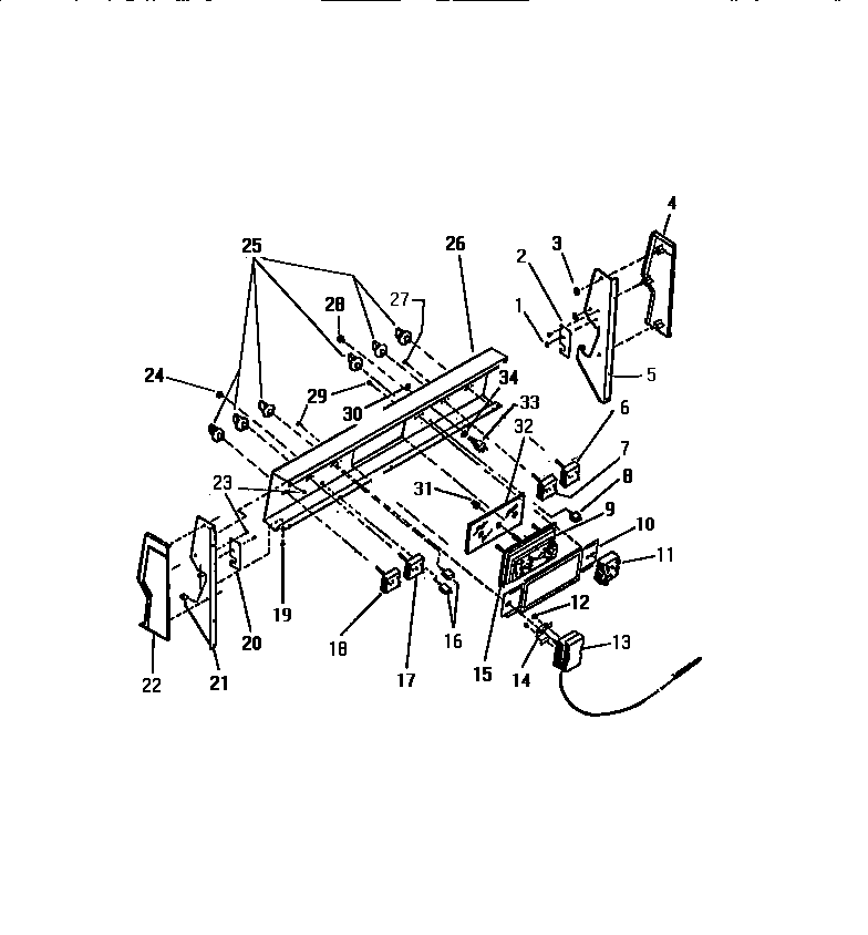
| 1 | 08002868 Frigidaire 0 Screw Assembly |
| 3 | NUT (3) |
| 4 | WCI K5030402 |
| 5 | WCI K5025202 |
| 8 | LIGHT,SIGNAL (SURFACE UNIT 125V) |
| 9 | WCI K5033001 |
| 10 | WCI K5296301 |
| 11 | WCI K5041801 |
| 12 | SCREW - THERMO BRACKET 6-32 X 3/16 (2) |
| 13 | WCI K1324562 |
| 14 | WCI K5267103 |
| 15 | BEZEL |
| 16 | LIGHT, SIGNAL (CLEAN & OVEN 250V.) |
| 17 | 5303935086 Frigidaire Oven Top Burner Switch Kit |
| 19 | WCI K1164566 |
| 20 | WCI K5025001 |
| 21 | WCI K5025201 |
| 22 | WCI K5030401 |
| 25 | KNOB (6) |
| 26 | PANEL, BACKGUARD |
| 28 | LENS |
| 29 | SCREW |
| 30 | WCI K5051701 |
| 31 | KNOB, TIMER |
| 32 | WCI K1167678 |
| 33 | WCI K5051801 |
| 34 | WCI Q501442 |