| *07122 | WCI K5044102 |
| *07120 | WCI K5044001 |
| *07121 | WCI K5044101 |
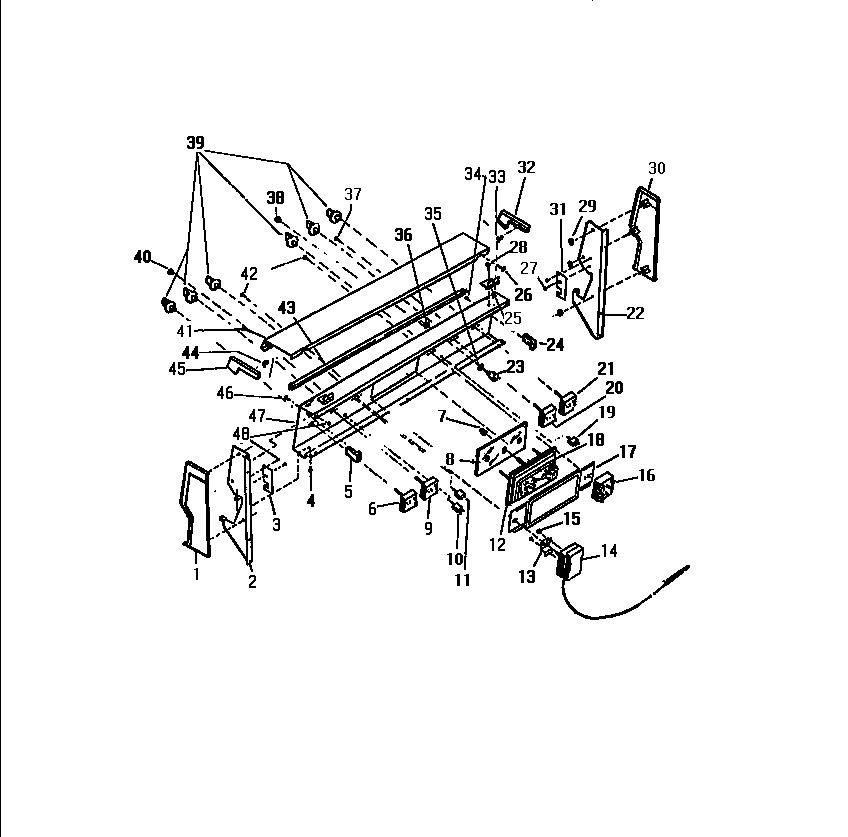
| 1 | WCI K5030401 |
| 2 | WCI K5025201 |
| 4 | WCI K1164566 |
| 7 | KNOB, TIMER |
| 8 | WCI K1167678 |
| 10 | LIGHT SIGNAL (OVEN 250V) |
| 11 | LIGHT, SIGNAL (CLEAN & OVEN 250V.) |
| 12 | BEZEL |
| 13 | WCI K5267103 |
| 14 | WCI K1324562 |
| 15 | SCREW - THERMO BRACKET 6-32 X 3/16 (2) |
| 16 | WCI K5067801 |
| 17 | WCI K5296301 |
| 18 | WCI K5033001 |
| 19 | LIGHT,SIGNAL (SURFACE UNIT 125V) |
| 21 | 5303935086 Frigidaire Oven Top Burner Switch Kit |
| 22 | WCI K5025202 |
| 23 | WCI K5057501 |
| 24 | WCI K5046401 |
| 25 | WCI K5297501 |
| 26 | 5308014215 Frigidaire Oven Screw |
| 27 | 08002868 Frigidaire 0 Screw Assembly |
| 28 | WCI K1164550 |
| 29 | NUT (3) |
| 30 | WCI K5030402 |
| 31 | WCI K5025001 |
| 32 | WCI K5033502 |
| 35 | WCI Q501442 |
| 36 | WCI Q501444 |
| 39 | WCI K5026901 |
| 40 | LENS |
| 41 | WCI K5030702 |
| 42 | SCREW |
| 43 | WCI K1313090 |
| 44 | WCI K5033301 |
| 45 | WCI K5033501 |
| 46 | SCREW |
| 47 | WCI K5031402 |