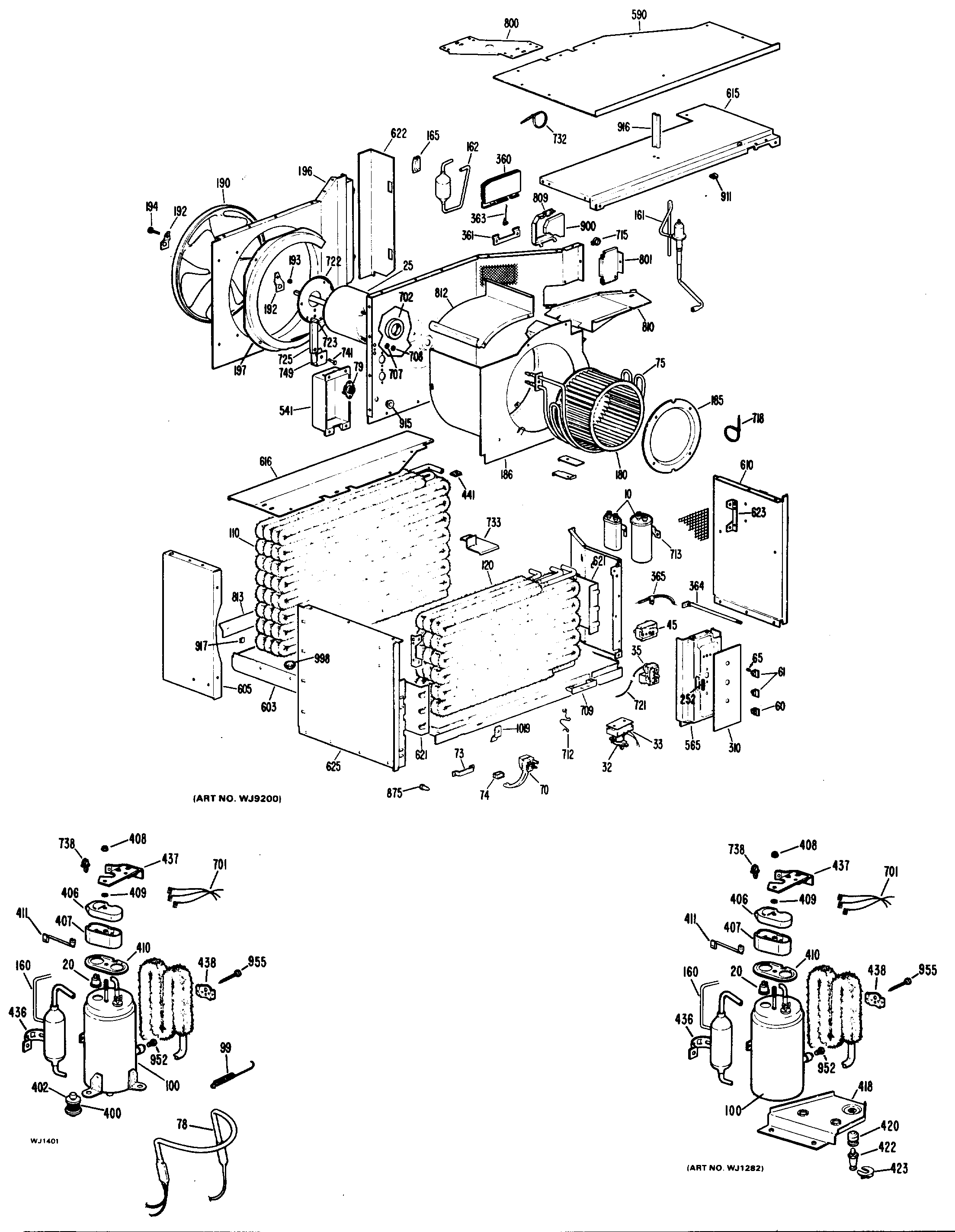
KF912DSW1 2admin2025-04-26T10:16:52+00:00KF912DSW1 2 ProductsPositionProduct10GEN WJ20X054610GEN WJ20X059920GEN WJ23X008825GEN WJ94X051332GEN WJ28X023033GEN WJ70X027360GEN WJ12X012861GEN WJ12X012965KNOB SPRING70GEN WJ35X010273CLAMP POWER CORD74GROMMET CORD POWER160CAPILLARY .036 CUT TO 14160CAPILLARY .049 CUT-25"165GEN WJ56X0037165GEN WJ56X0051180INDOOR BLOWER186GEN WJ76X0231190GEN WJ73X0147192GEN WJ03X0215193FAN NUT196GEN WJ76X0236197BAFFLE310GEN WJ07X0717360GEN WJ70X0283360GEN WJ70X0166361DAMPER DOOR HINGE CLAMP363GEN WJ02X0397364GEN WJ14X0096365GEN WJ14X0095406TERMINAL CAP407GEN WJ79X0409408GEN WJ01X0292410GEN WJ43X0333411CONDUCTOR TERMINAL CAP420GEN WJ01X0609422GEN WJ01X0608423GEN WJ02X0360436ACCUMULATOR CLAMP437GEN WJ66X0426438GEN WJ03X0143565GEN WJ79X0358590GEN WJ79X0232603GEN WJ89X0087610GEN WJ82X0142615GEN WJ79X0348616GEN WJ79X0374621GEN WJ81X0068622GEN WJ82X0149625GEN WJ82X0144701GEN WJ36X0016702GEN WJ43X0351708GEN WJ01X0445709SINK HEAT713GEN WJ03X0279713GEN WJ03X0317715GEN WJ02X0410718GEN WJ02X0416721SLEEVE CAPILLARY THERM732WIRE STRAP738GEN WJ02X0420800GEN WJ65X0321801PLATE809TUBE SEAL CLAMP813GEN WJ70X0152900GEN WJ60X0018917GEN WJ02X0263952SCREW 10-16 X 5/8" HEX955GEN WZ04X0268998PLUG 30FR HOLD DOWN BOLT998GEN WJ01X04021019CLIP CHASSIS TO CABINET