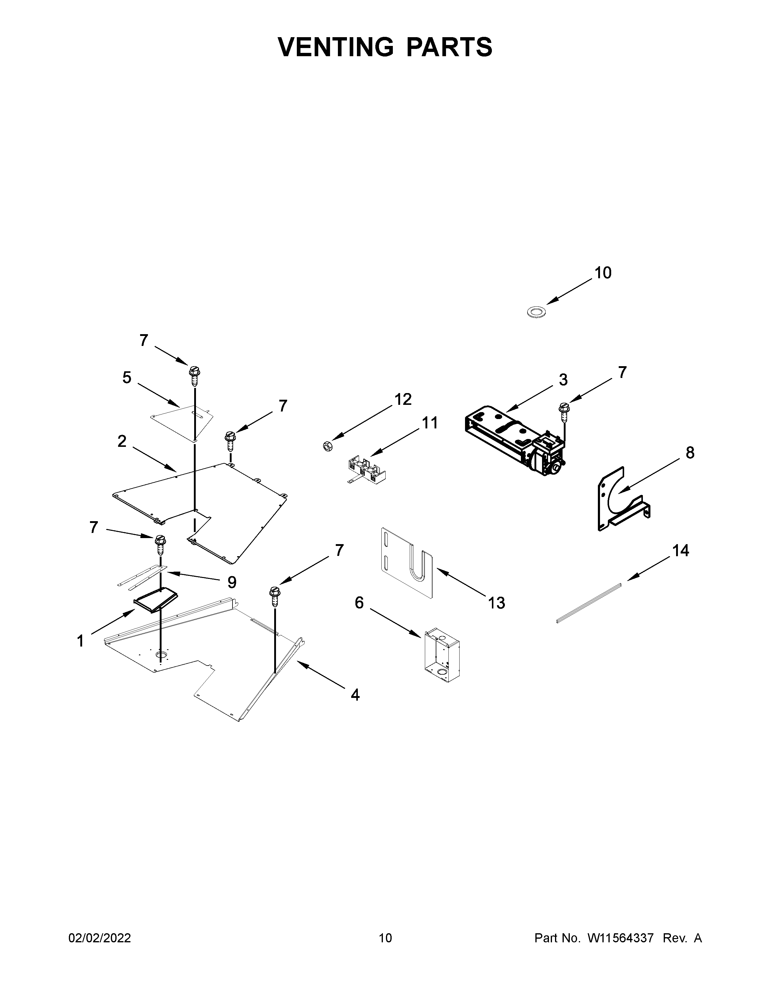
KFDC500JYP01 06 – VENTING PARTSadmin2025-04-26T12:14:09+00:00KFDC500JYP01 06 – VENTING PARTS ProductsPositionProduct1SLOPE, EXHAUST VENT (30")2VENT, COOLING TOP (30 IN)3W11248652 Whirlpool Blower4VENT, COOLING BOTTOM (30 IN)5PLATE, COOLING LATCH6BOX, TERMINAL7SCREW8BRACKET, BLOWER MOUNT9W10270397 Whirlpool Vent Seal10SEAL, CHIMNEY11WP9761958 Whirlpool Range Terminal Block12WP112432 Whirlpool Nut Assembly13COVER, CHANNEL14W11175143 Whirlpool Gasket