KGHS02RMT2 03 – BULKHEAD PARTS

KGHS02RMT2 03 – BULKHEAD PARTS

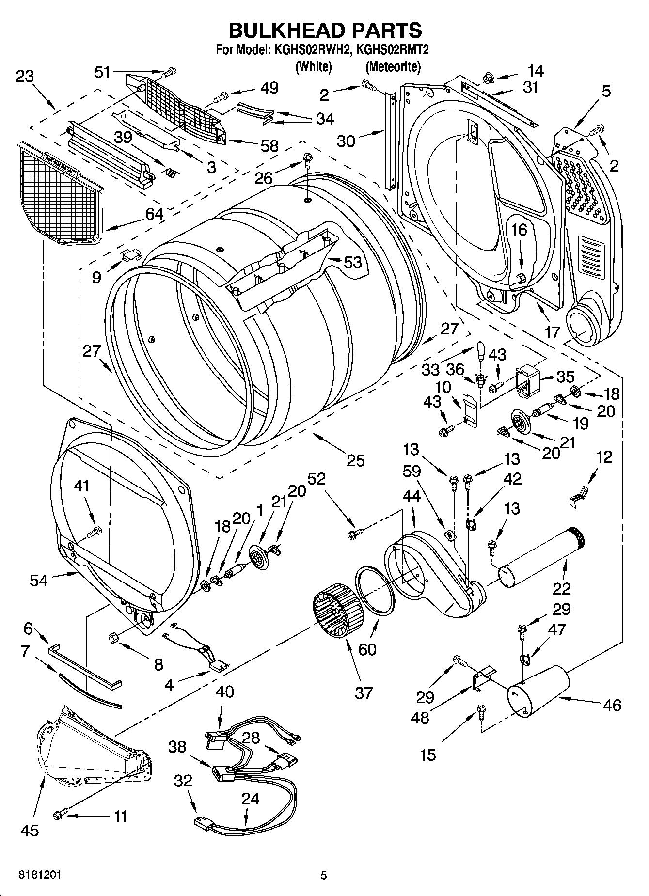
Products

PositionProduct
1SHAFT
2WP488729 Whirlpool Refrigerator Door Screw
3W11222846 Whirlpool Door
4WP3406653 Whirlpool Wire Harness
5W11168650 Whirlpool Air Duct
6WP697813 Whirlpool Seal
8WPW10080210 Whirlpool Nut
98066086 Whirlpool Plug
10W11226088 Whirlpool Lens Assembly
11WP489463 Whirlpool Refrigerator Screw
12W11684573 Whirlpool Clip Assembly
13WP90767 Whirlpool Screw
148529007 Whirlpool Plug
15WP693995 Whirlpool Screw
16WPW10080190 Whirlpool Nut
17W11299301 Whirlpool Bulkhead Assembly
18W11236646 Whirlpool Washer Assembly
19SHAFT
20WPW10512946 Whirlpool Dryer Tri-Ring Drum Roller
21WPW10314173 Whirlpool Dryer Drum Support Wheel
22279936 Whirlpool Exhaust Pipe
23W11129408 Whirlpool Out Housing
24WP3401850 Whirlpool Wire Harness
25W10545924 Whirlpool Drum Assembly
26WPW10109200 Whirlpool Screw
27280114 Whirlpool Dryer Drum Seal
28353424 Whirlpool Connector
30Channel Bracket, Rear Bulkhead (2)
31W10118337 Whirlpool Bracket Assembly
32Receptacle, Latching (2-Way) (Uses Terminal 94614)
33WP22002263 Whirlpool Dryer 10W Light Bulb
34WP3387223 Whirlpool Electrode Assembly
353977373 Whirlpool Bracket
36W11700522 Whirlpool Socket
37WP697772 Whirlpool Dryer Blower Wheel
38WP3403498 Whirlpool Connector
39WP3394986 Whirlpool Spring
40WP3403499 Whirlpool Connector
42WP8577274 Whirlpool Dryer Thermistor
44W10888146 Whirlpool Housing
45WPW10128606 Whirlpool Lint Duct
46WP8066047 Whirlpool Funnel
47WP8573028 Whirlpool Thermostat Assembly
48WP338906 Whirlpool Dryer Gas Sensor
49WP308685 Whirlpool Microwave Screw
51WP3387230 Whirlpool Screw
52W11693756 Whirlpool Screw Assembly
53WPW10113136 Whirlpool Drum Baffle
54Bulkhead, Front
58W11086603 Whirlpool Dryer Link Screen Air Grille
59WP3392519 Whirlpool Dryer Thermal Fuse
60WP697770 Whirlpool Blower Cover Plate Seal
64W10120998 Whirlpool Dryer Lint Screen Filter