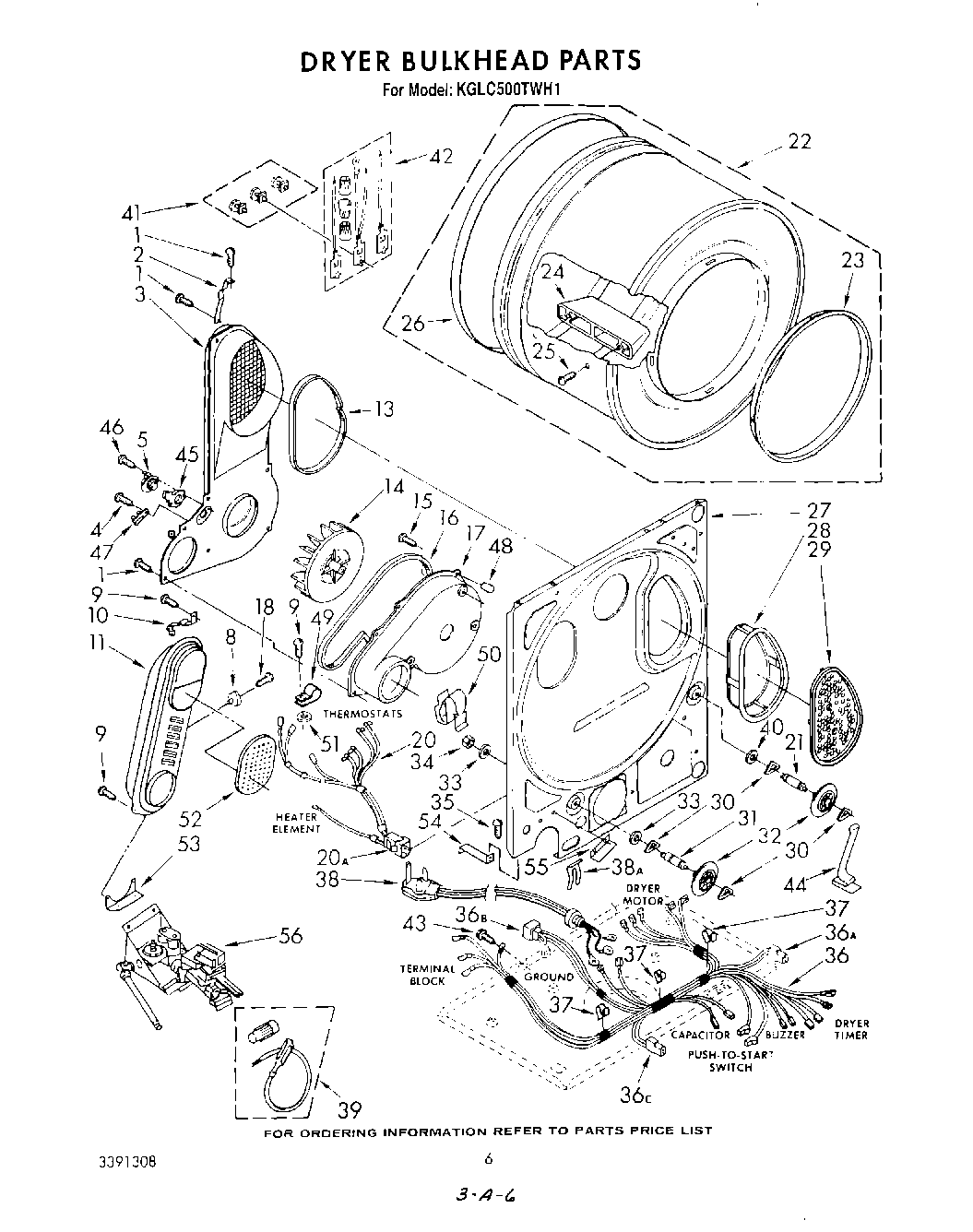
KGLC500THT1 05 – DRYER BULKHEADadmin2025-04-26T11:19:02+00:00KGLC500THT1 05 – DRYER BULKHEAD ProductsPositionProductNIWP308685 Whirlpool Microwave Screw1SCREW2345396 Whirlpool Clip3696529 Whirlpool Air Duct4WP90767 Whirlpool Screw5WP694674 Whirlpool Cycling Thermostat8Thermostat, 205 F (96 C)8Thermostat SPST (205)8(Alt.)10279771 Whirlpool Clip11280007 Whirlpool Heater Box13SEAL14WP696426 Whirlpool Wheel16Seal, Fan Scroll17WP696418 Whirlpool Fan Scroll20APlug, Multi- Terminal 56B20Harness, Thermostat & Heater (Includes Illus. 20A)21SHAFT SUPPORT ROLLER DRYER223391834 Whirlpool Drum23WP3394508 Whirlpool Bearing Ring24685207 Whirlpool Dryer Baffle25Screw, 11-16 x 7/826SEAL27Bulkhead28W10828351 Whirlpool Dryer Filter Lint Screen with Cover30WPW10512946 Whirlpool Dryer Tri-Ring Drum Roller31SHAFT SUPPORT ROLLER DRYER32349241T Whirlpool Dryer Drum Support Roller Kit33WP348197 Whirlpool Washer Assembly34WP358160 Whirlpool Nut35WP3390631 Whirlpool Screw36AReceptacle, Latching (2-Way) (Uses Terminal 94614)36BReceptacle (2)36Harness, Main Dryer Wiring (Includes Illus. 36A, 36B & 36C)36CWPL 71731537CLIP38WPW10581952 Whirlpool Power Cord38AW11712577 Whirlpool Clip39279457 Whirlpool Dryer Heating Element Wide Spade Connection40WP3388703 Whirlpool Washer41279393 Whirlpool Terminal Block Screw and Nut Kit42279318 Whirlpool Terminal44WPL 338966545Heater, Thermostat46WP488729 Whirlpool Refrigerator Door Screw47WP3392519 Whirlpool Dryer Thermal Fuse48W10491983 Whirlpool Tine Tip49488946 Whirlpool Air Conditioner Clamp50WP3400935 Whirlpool Dishwasher Clip51WPL 31214752345335 Whirlpool Cover53347455 Whirlpool Support Assembly54WPL 338720855WPL 69757156Burner Assembly 60 Hz.