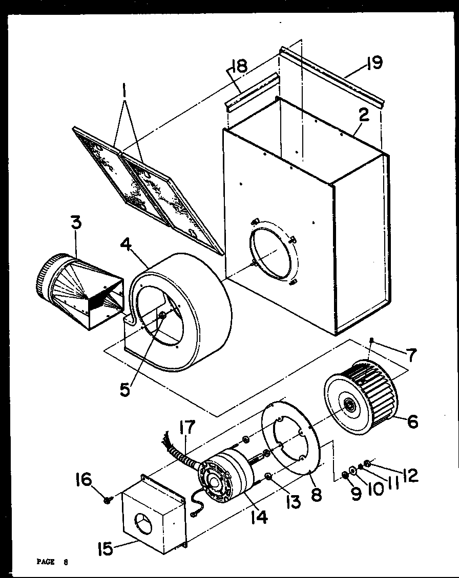
KGT-591 07 – VENTILATION SECTIONadmin2025-04-26T09:03:17+00:00KGT-591 07 – VENTILATION SECTION ProductsPositionProductNIMAY 74-05-088NIMAY 44-01-782NIMAY 71-02-0641MAY 72-05-0212MAY 40-01-8993MAY 78-06-0214MAY 78-06-0145MAY 71-03-0447MAY 78-06-0158MAY 44-01-78110MAY 71-09-00611MAY 71-09-01112MAY 71-03-02213MAY 72-03-03014MAY 74-09-02915MAY 004083516MAY 71-02-08817MAY 74-05-09318MAY 53-01-19419MAY 53-01-195