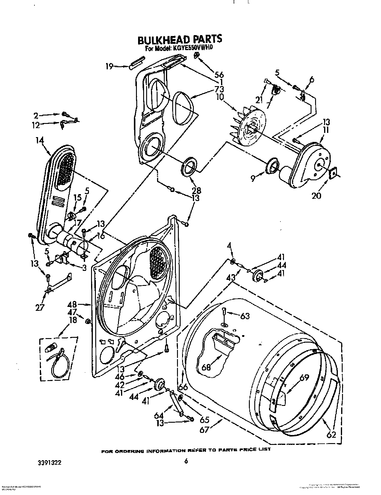
KGYE550VWH0 04 – BULKHEADadmin2025-04-26T11:29:23+00:00KGYE550VWH0 04 – BULKHEAD ProductsPositionProduct1W11117429 Whirlpool Chute Assembly3WP338906 Whirlpool Dryer Gas Sensor4WP3388703 Whirlpool Washer5WP90767 Whirlpool Screw6WP3392519 Whirlpool Dryer Thermal Fuse7WP694674 Whirlpool Cycling Thermostat9W11233063 Whirlpool Shield Assembly10WP694089 Whirlpool Dryer Blower Wheel11Housing, Blower12279771 Whirlpool Clip13SCREW15Thermostat, 205 F (96 C)16279900 Whirlpool Box O/S118279457 Whirlpool Dryer Heating Element Wide Spade Connection19686770 Whirlpool Support Bracket20Seal, Blower21WP488729 Whirlpool Refrigerator Door Screw27Support, Heater Box28W11415783 Whirlpool Seal41WPW10512946 Whirlpool Dryer Tri-Ring Drum Roller42SHAFT SUPPORT ROLLER DRYER43SHAFT SUPPORT ROLLER DRYER44WPW10314173 Whirlpool Dryer Drum Support Wheel46WP348197 Whirlpool Washer Assembly47WP358160 Whirlpool Nut48W11178667 Whirlpool Bulkhead Assembly5698460 Whirlpool Nut62279441 Whirlpool Front Bearing Ring63Screw, 11-16 x 7/864W11684613 Whirlpool Bracket65WP90296 Whirlpool Clip66279408 Whirlpool Dryer Rear Drum Seal67W10899578 Whirlpool Dryer Drum Assembly68BAFFLE-DRM69WP3403636 Whirlpool Drum Baffle73SEAL