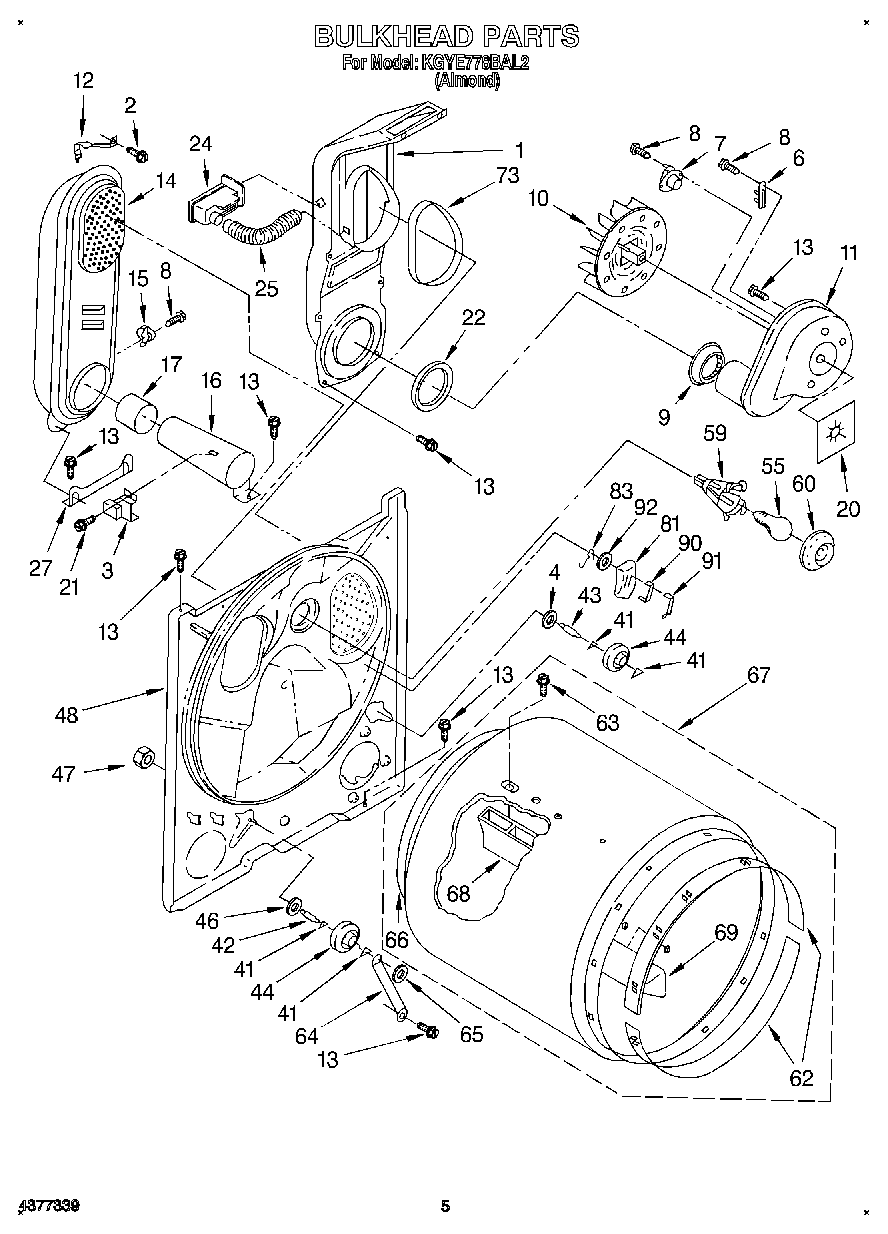
KGYE778BAL2 03 – BULKHEADadmin2025-04-26T10:38:09+00:00KGYE778BAL2 03 – BULKHEAD ProductsPositionProduct1Lint Chute Assembly2WP489463 Whirlpool Refrigerator Screw3WP338906 Whirlpool Dryer Gas Sensor4WP3388703 Whirlpool Washer6WP3392519 Whirlpool Dryer Thermal Fuse7WP3387134 Whirlpool Dryer Cycling Thermostat8WP90767 Whirlpool Screw9W11233063 Whirlpool Shield Assembly10WP694089 Whirlpool Dryer Blower Wheel11Housing, Blower12279771 Whirlpool Clip13SCREW15Thermostat, 205 F (96 C)16279900 Whirlpool Box O/S120Seal, Blower21WP3390631 Whirlpool Screw22W11415783 Whirlpool Seal24Alert, Lint25Hose, Differential27Support, Heater Box41WPW10512946 Whirlpool Dryer Tri-Ring Drum Roller42SHAFT SUPPORT ROLLER DRYER43SHAFT SUPPORT ROLLER DRYER44WPW10314173 Whirlpool Dryer Drum Support Wheel46WP348197 Whirlpool Washer Assembly47WP3359452 Whirlpool Nut48Bulkhead55RANGE ONLY 40W 120V APPL BULB59Socket Assembly60Lens, Drum Light62279441 Whirlpool Front Bearing Ring63WPW10109200 Whirlpool Screw64W11684613 Whirlpool Bracket65WP90296 Whirlpool Clip66279408 Whirlpool Dryer Rear Drum Seal67W10899578 Whirlpool Dryer Drum Assembly68BAFFLE-DRM69WP3403636 Whirlpool Drum Baffle73SEAL81SENSOR KIT83WP342267 Whirlpool Clip90WP348859 Whirlpool Electrode Assembly91WP348860 Whirlpool Electrode92WP298877 Whirlpool Washer