KGYE860WAL1 02 – TOP AND CONSOLE, LIT/OPTIONALadmin2025-04-26T10:37:50+00:00KGYE860WAL1 02 – TOP AND CONSOLE, LIT/OPTIONAL
Products
| Position | Product |
|---|
| 350930 Whirlpool White Spray Paint |
| Guide, Dryer |
| WPL LIT3392979 |
| Instructions, Installation |
| Label, Operating Instructions |
| WPL LIT3393076 |
| WPL LIT3394614 |
| Almond (Uncut) |
| Leveler (Thinner) |
| WP72107 Whirlpool Touchup |
| 799344 Whirlpool Refrigerator Paint |
| 72017 Whirlpool Appliance Touch-Up Paint White |
| 350956 Whirlpool Spray Assembly |
| 350938 Whirlpool Spray Gun |
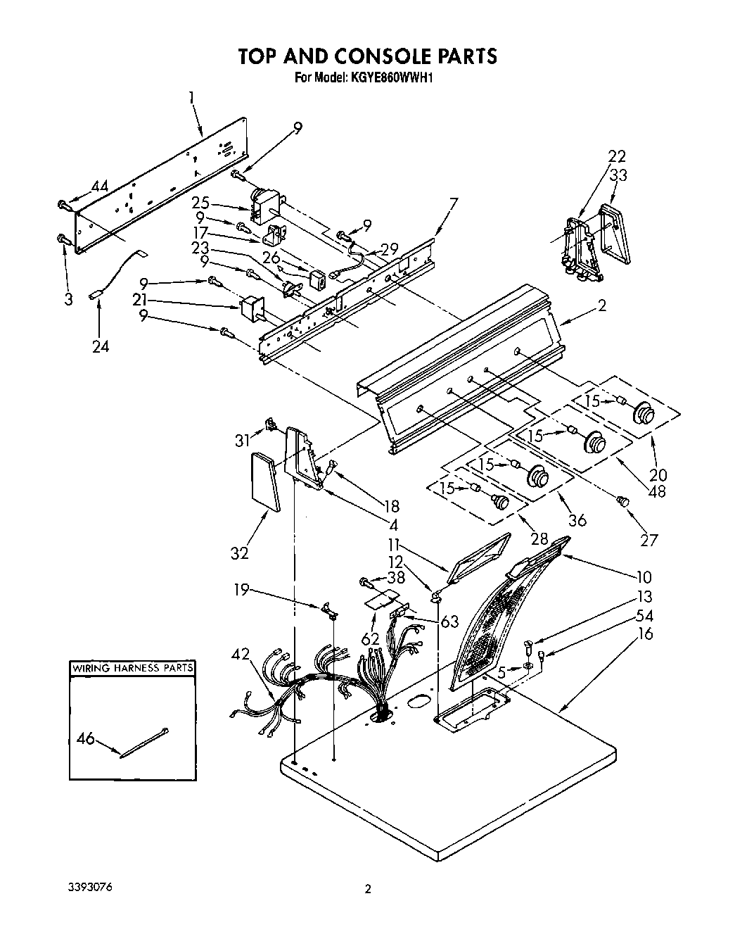
| 1 | Panel, Rear Console |
| 2 | Panel, Control |
| 3 | WP693995 Whirlpool Screw |
| 4 | Cap, End (L.H.) |
| 5 | Washer |
| 7 | Bracket, Control |
| 9 | WP3390631 Whirlpool Screw |
| 10 | WP349639 Whirlpool Lint Filter |
| 11 | Cover, Lint Screen |
| 12 | WPW10044470 Whirlpool Hinge Assembly |
| 12 | WPW10044480 Whirlpool Hinge Assembly |
| 13 | W11693756 Whirlpool Screw Assembly |
| 15 | WP688805 Whirlpool Spring Clip |
| 16 | Top (White) |
| 16 | Top (Almond) |
| 17 | Buzzer, Adjustable |
| 18 | WPL 64211 |
| 19 | Nut, Push-In (2) |
| 20 | Knob, Timer |
| 21 | Relay, Push-To-Start |
| 22 | Cap, End (R.H.) |
| 23 | Switch, Temperature (Variable) |
| 24 | Wire, Jumper (Violet) |
| 24 | Wire, Jumper (Blue) |
| 25 | Timer, 60 Hz. |
| 26 | Lamp, Indicator |
| 27 | Lens, Light |
| 28 | Knob, Push To Start |
| 29 | Wire, Ground |
| 31 | WP689559 Whirlpool Nut |
| 32 | Trim, Endcap (L.H.) |
| 33 | Trim, Endcap (R.H.) |
| 38 | WP90767 Whirlpool Screw |
| 42 | Harness, Wiring |
| 44 | WP489069 Whirlpool Compactor Screw |
| 46 | WPW10339879 Whirlpool Wire Tie |
| 48 | Knob, Adjustable Buzzer |
| 54 | Bumper, Lint Lid |
| 62 | WPW10476828-includeCORE Whirlpool WPW10476828 Refrigerator Electronic Control Board + Core |
| 63 | 3391885 Whirlpool Connector |