KHMS2056SSS0 01 – CONTROL BOARD PARTSadmin2025-04-26T11:02:44+00:00KHMS2056SSS0 01 – CONTROL BOARD PARTS
Products
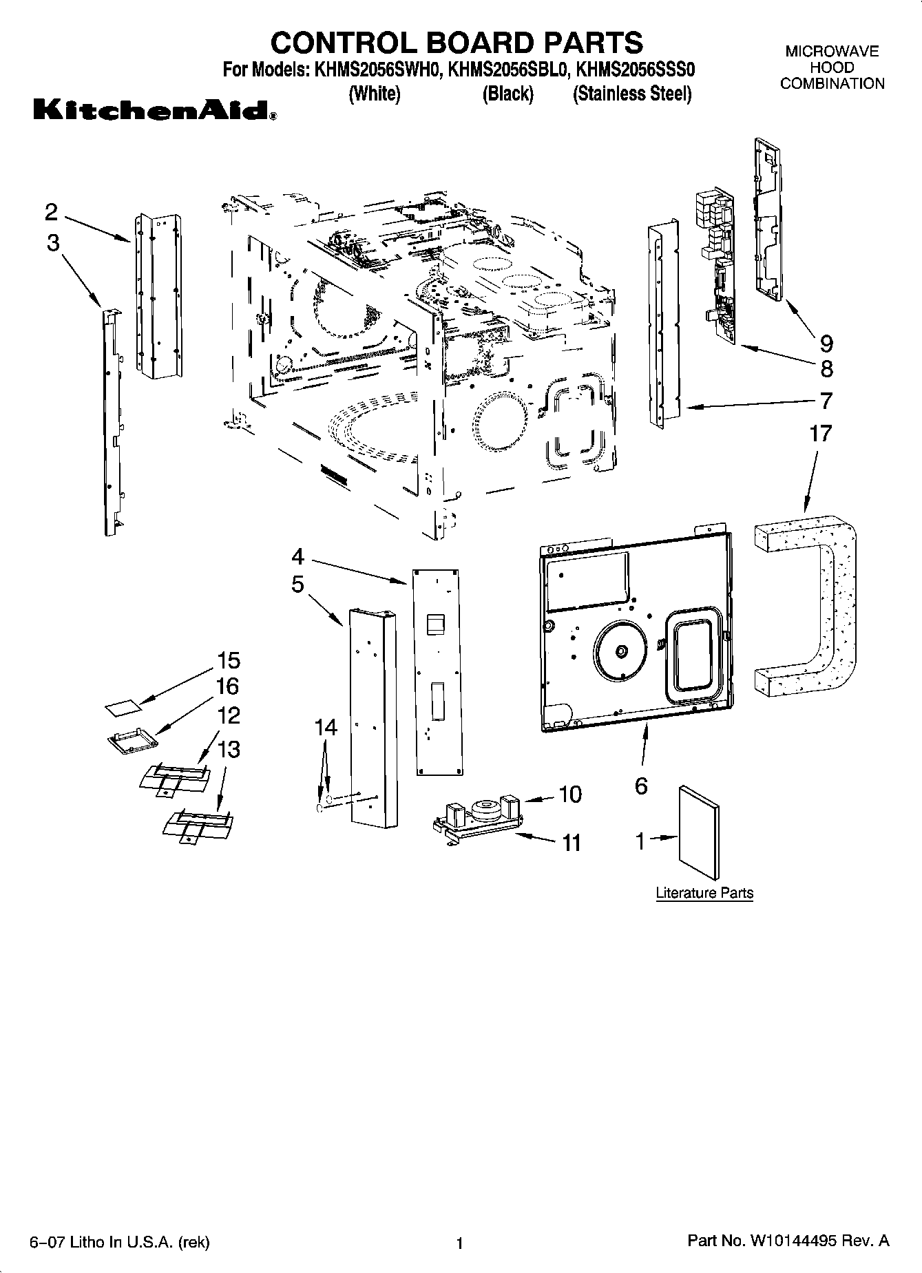
| Position | Product |
|---|
| 1 | Use & Care Guide |
| 1 | Quick Reference |
| 1 | Tech Sheet |
| 2 | Support, Cavity (Left) |
| 3 | W10527358 Whirlpool Microwave Plate |
| 4 | Control Board, (Relay) |
| 5 | Plate, Protection (Right) |
| 6 | Plate, Chassis |
| 7 | Support, Cavity (Right) |
| 8 | WP8206493 Whirlpool Microwave Electronic Control Board |
| 9 | Holder, Microcomputer |
| 10 | AC Line Filter |
| 11 | Holder, Filter |
| 12 | Resistor (50W) |
| 13 | W10113783 Whirlpool Microwave Resistor |
| 14 | Spacer (6) |
| 15 | Glass, Lamp |
| 16 | Frame, Glass |
| 17 | FOAM, SEAL |