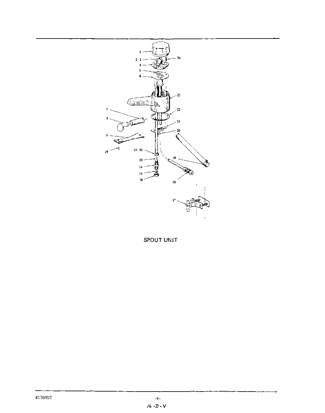
KIH160E 03 – SECTION