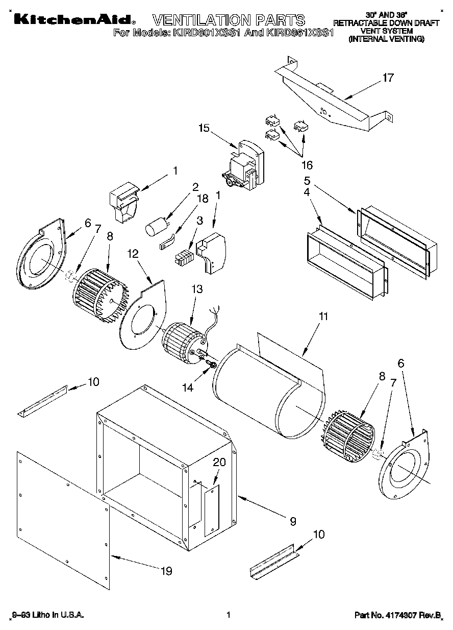
KIRD861XSS1 01 – SECTIONadmin2025-04-26T11:56:57+00:00KIRD861XSS1 01 – SECTION ProductsPositionProduct1Cover, Box1Box, Electric2Capacitor3Terminal4Guide, Exhaust5Damper6Cover, Blower6Cover, Blower7Nut8Impeller8Impeller9Box, Blower10Support, Blower (2)11Housing, Motor12Motor Mount13Motor14Screw15Motor, Gear16WPW10240604 Whirlpool Fan Switch17Bracket, Motor Gear18Block, Capacitor19Cover, Blower Box20Cover, Exhaust Outlet