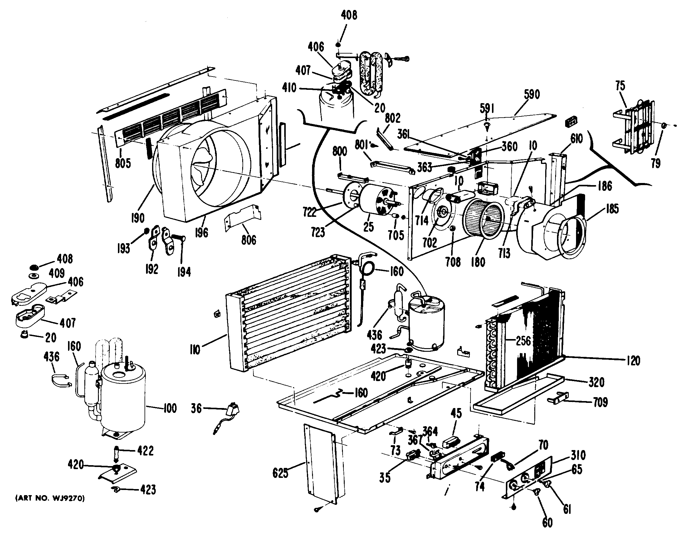
KJ610AMT1 1