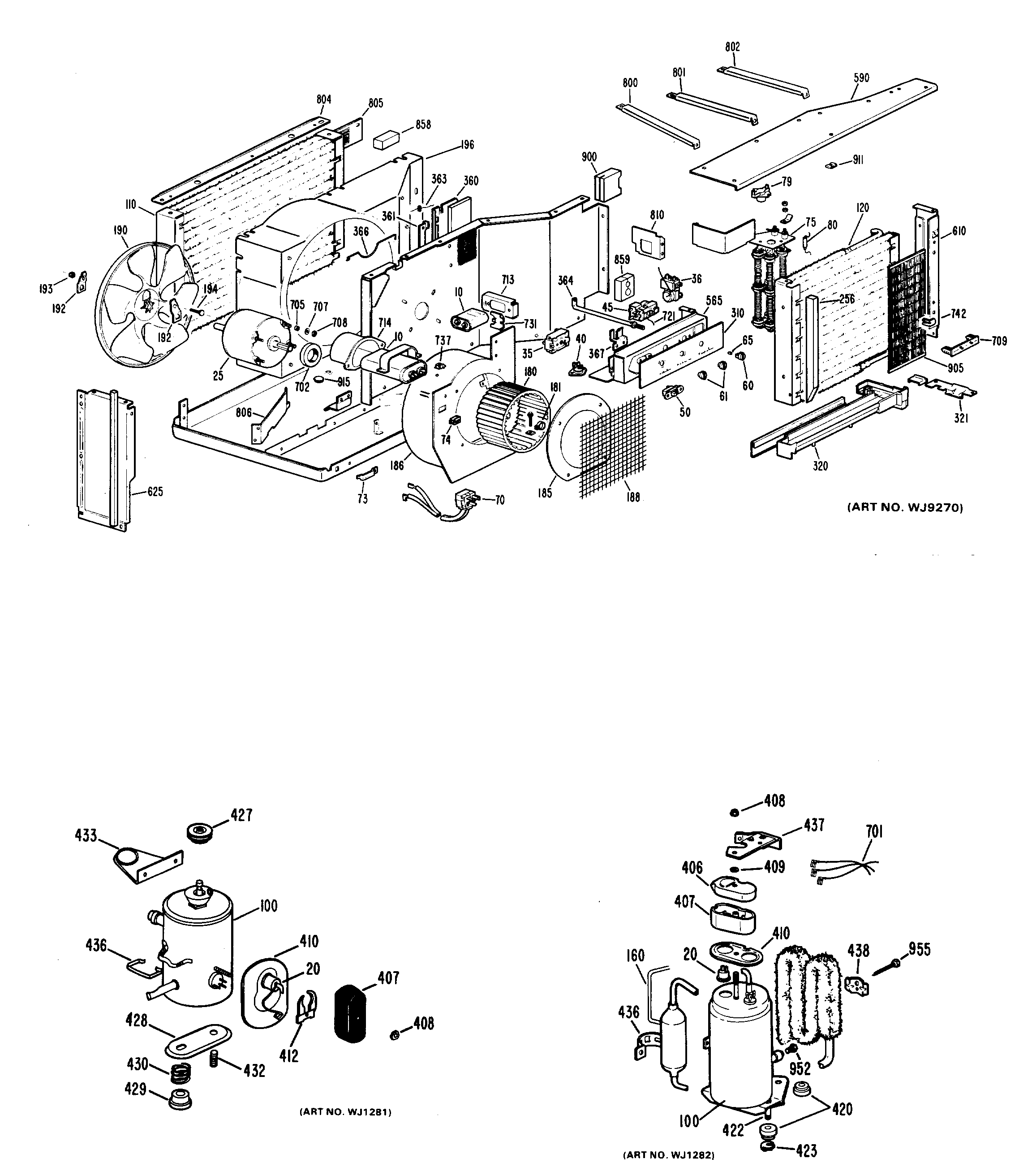
KJ710AST1 2