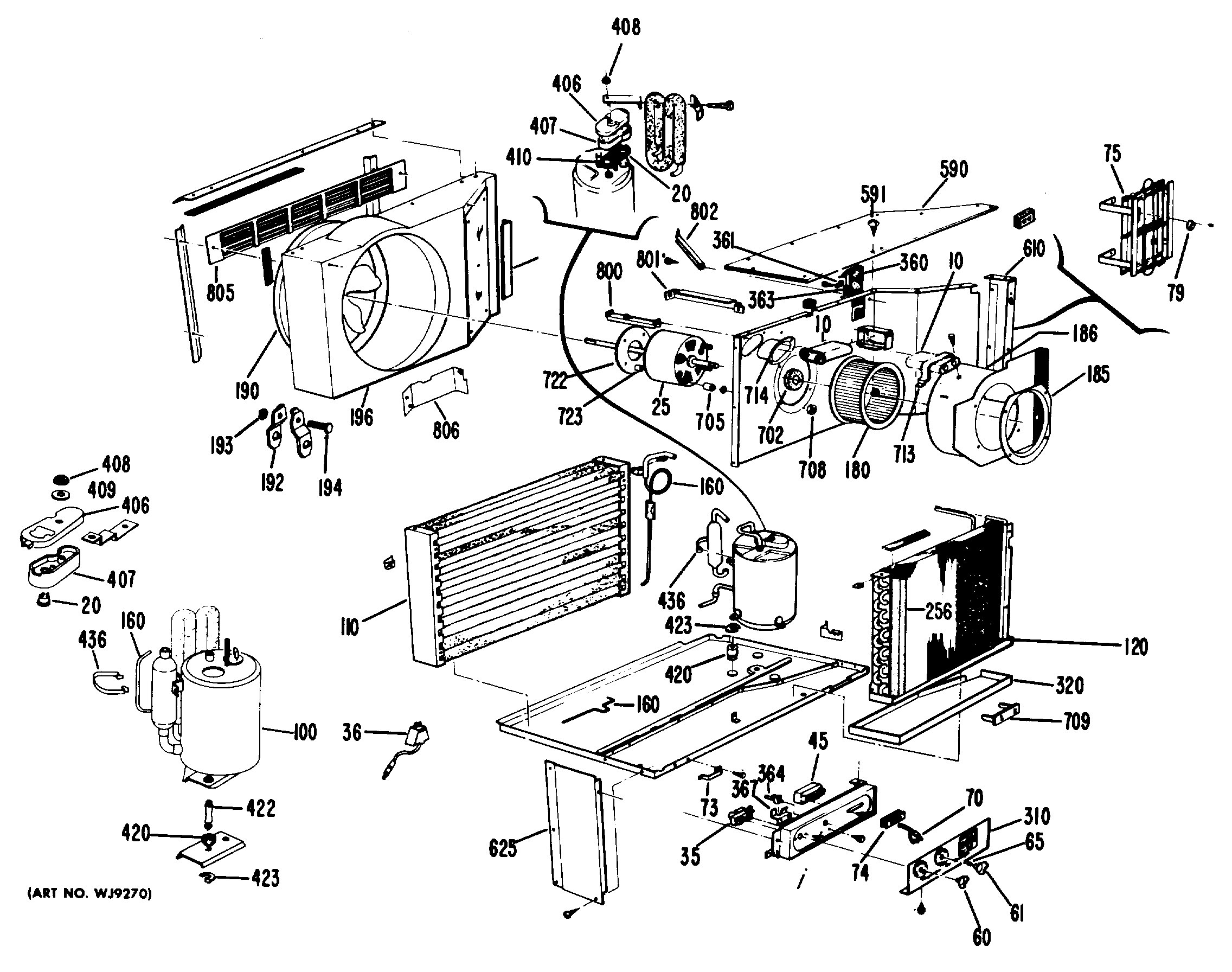
KJ807FNP1 1admin2025-04-26T10:15:19+00:00KJ807FNP1 1 ProductsPositionProduct10GEN WJ20X031710CAPACITOR, FAN20GEN WJ23X019525ADD CAPACITOR IF REQD25MOTOR FAN35GEN WJ28X050045GEN WJ26X013561GEN WJ12X012965KNOB SPRING70POWER CORD73CLAMP POWER CORD74GROMMET CORD POWER75BEATER ASSEMBLY100GEN WJ98X0516110GEN WJ88X0160120GEN WJ87X0195160CAPILLARY .034 CUT TO 16160CAPILLARY .039 CUT TO 15180GEN WJ74X0094185GEN WP76X0005186SCROLL ASSEMBLY INDOOR190OUTDOOR FAN WITH SLINGER192GEN WJ03X0215193FAN NUT194FAN SCREW196GEN WJ76X0224256GASKET SEPARATE AIR310GEN WJ07X0575310GEN WP07X0026320DRIP TRAY360GEN WJ70X0166360GEN WJ70X0283361DAMPER DOOR HINGE CLAMP363GEN WJ02X0397364SHAFT DAMPER DOOR367GEN WJ03X0211406TERMINAL CAP407TERMINAL COVER408GEN WJ01X0292409GEN WP01X0005410GEN WJ43X0333420GEN WJ01X0609422GEN WJ01X0608423GEN WJ02X0360436ACCUMULATOR CLAMP590TOP COVER ASSEMBLY610PANEL RIGHT SIDE FRONT625PANEL LEFT SIDE FRONT702GEN WJ43X0240705GEN WJ01X0306708GEN WJ01X0445713GEN WJ03X0300713GEN WJ66X0373714CUP CAPACITOR COVER800BRACE801BRACE802BRACE805DEFLECTOR LOUVERED806DEFLECTOR