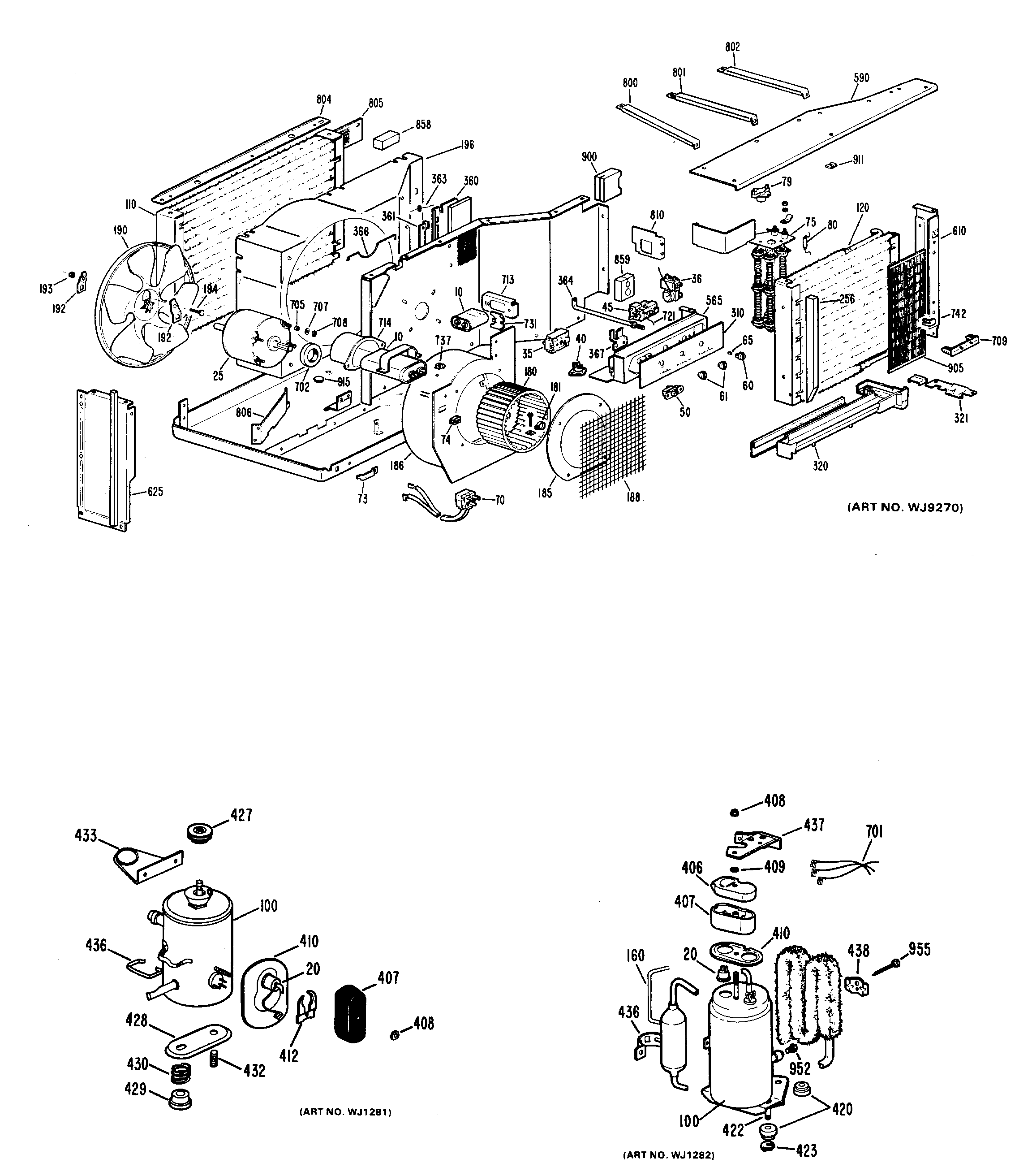
KJ906LSL1 2admin2025-04-26T10:16:21+00:00KJ906LSL1 2 ProductsPositionProduct20GEN WJ23X017725MOTOR FAN35GEN WJ28X051045MAIN SWITCH 7 POS ROTARY50GEN WP26X001061GEN WJ12X012965KNOB SPRING70POWER CORD73CLAMP POWER CORD74GROMMET CORD POWER160CAPILLARY .036 CUT TO 14160CAPILLARY .031 CUT TO 25180GEN WJ74X0094181BLOWER CLAMP ASSEMBLY185GEN WP76X0005188GEN WJ85X0109190OUTDOOR FAN WITH SLINGER192GEN WJ03X0215193FAN NUT194FAN SCREW196GEN WJ76X0251256GASKET SEPARATE AIR310GEN WP07X0019320GEN WJ70X0298321COVER DRIP TRAY360GEN WJ70X0166360GEN WJ70X0283361DAMPER DOOR HINGE CLAMP363GEN WJ02X0397364SHAFT DAMPER DOOR366LINK DAMPER DOOR367GEN WJ03X0211407GEN WJ79X0291408GEN WJ01X0292410GEN WJ43X0335412GEN WJ02X0373427GEN WJ01X0629428GEN WJ01X0620429GEN WJ02X0375430GEN WJ02X0402432GEN WJ01X0641433GEN WJ66X0333436GEN WJ02X0385565GEN WJ79X0388590TOP COVER ASSEMBLY610PANEL RIGHT SIDE FRONT625PANEL LEFT SIDE FRONT701GEN WJ36X0013702GEN WJ43X0240705GEN WJ01X0306707GEN WZ10X0152708GEN WJ01X0445713GEN WJ66X0418713GEN WP03X0002714CUP CAPACITOR COVER737GEN WJ02X0422742GEN WJ02X0443800BRACE801BRACE802BRACE804DEFLECTOR805DEFLECTOR LOUVERED806GEN WJ65X0325858GEN WJ60X0024859GEN WJ60X0025900GEN WJ43X0296900GEN WP60X0001952SCREW 10-16 X 5/8" HEX