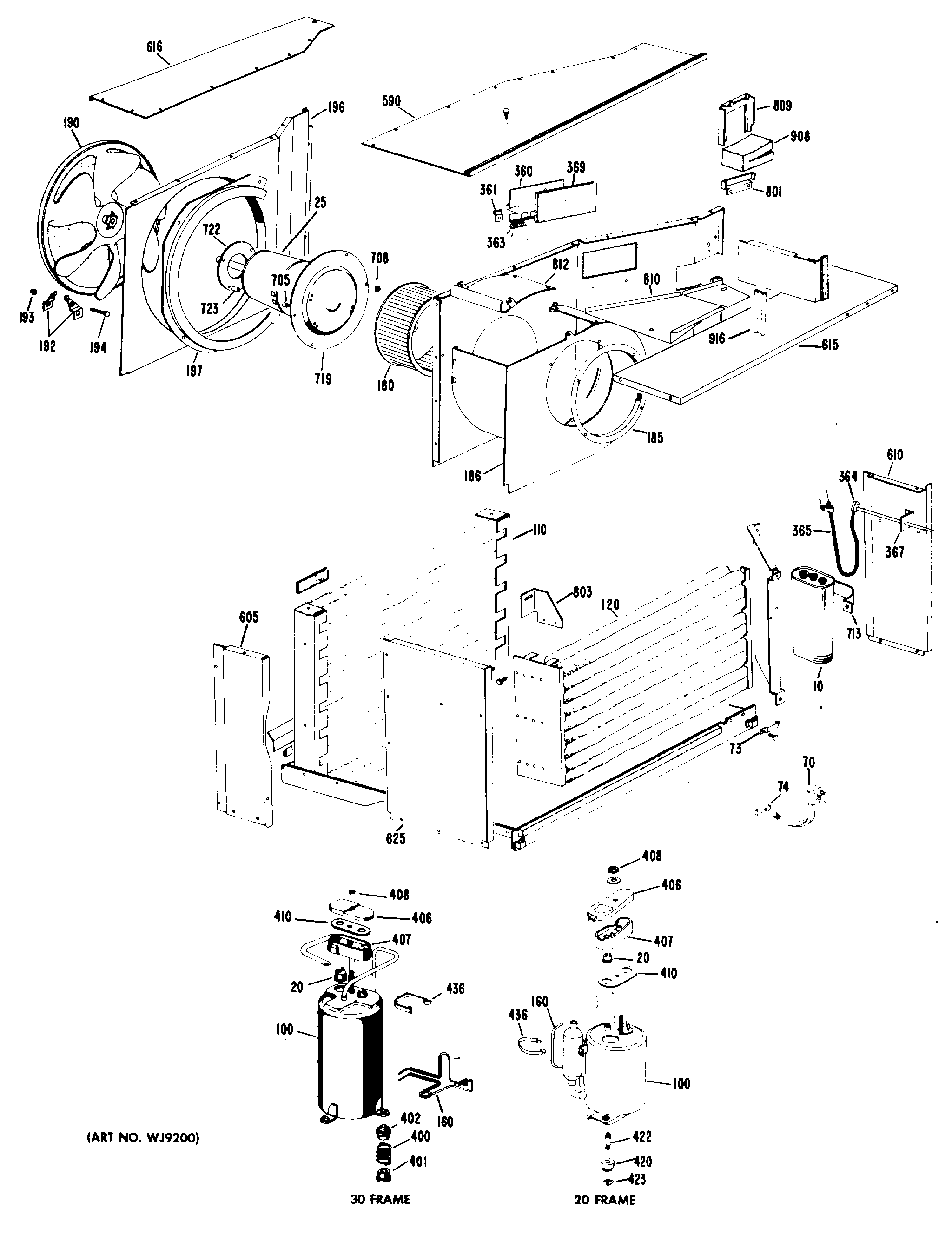
KL923BNF1 1