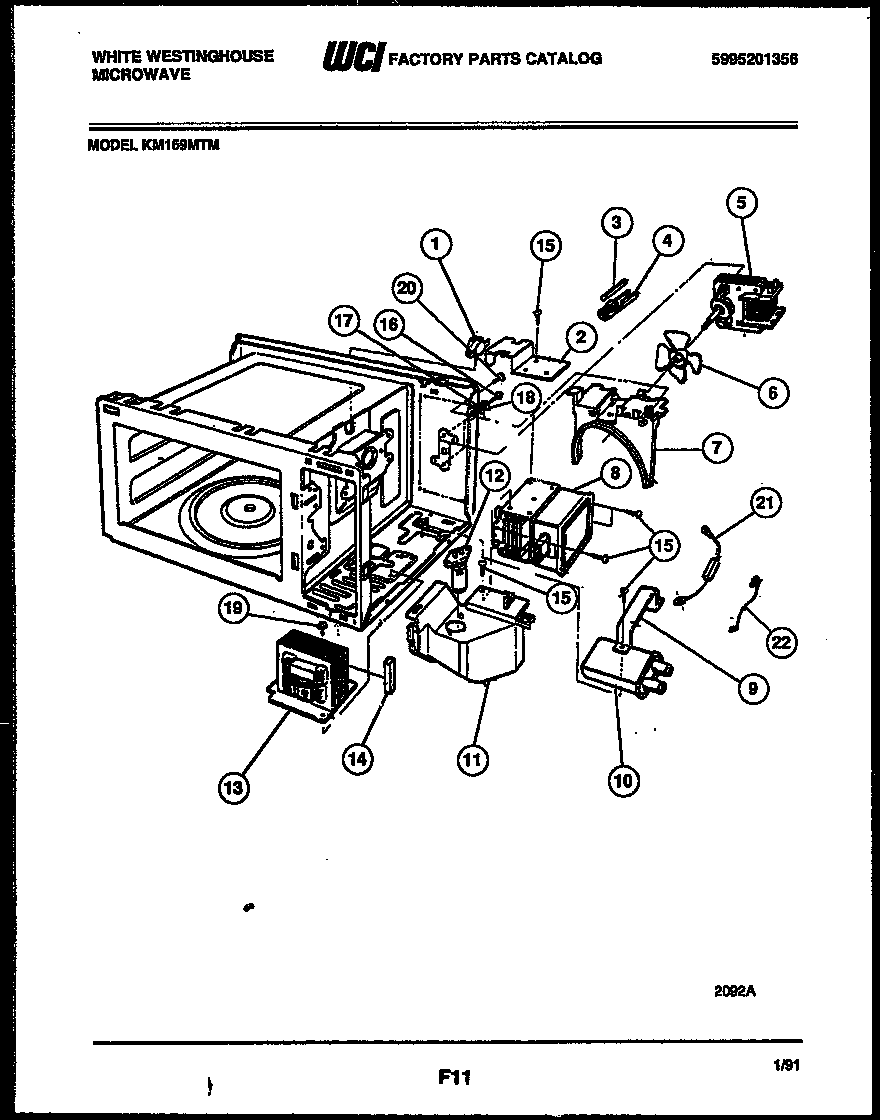
KM169MTM 05 – POWER CONTROLadmin2025-04-26T10:59:43+00:00KM169MTM 05 – POWER CONTROL ProductsPositionProduct1WCI 53032087862WCI 53032695793WCI 53032091744WCI 53032695805WCI 53032695816WCI 53032100747WCI 53032695828WCI 53032695839WCI 530326958410WCI 530326958511WCI 530326958612LAMP13WCI 530326958714WCI 530326956915SCREW-COVER (3)16WCI 530320872817WCI 530320859818WASHER, PLAIN19SCREW-TAP TITE (4)20SCREW - D21WCI 530326958922WCI 5303269590