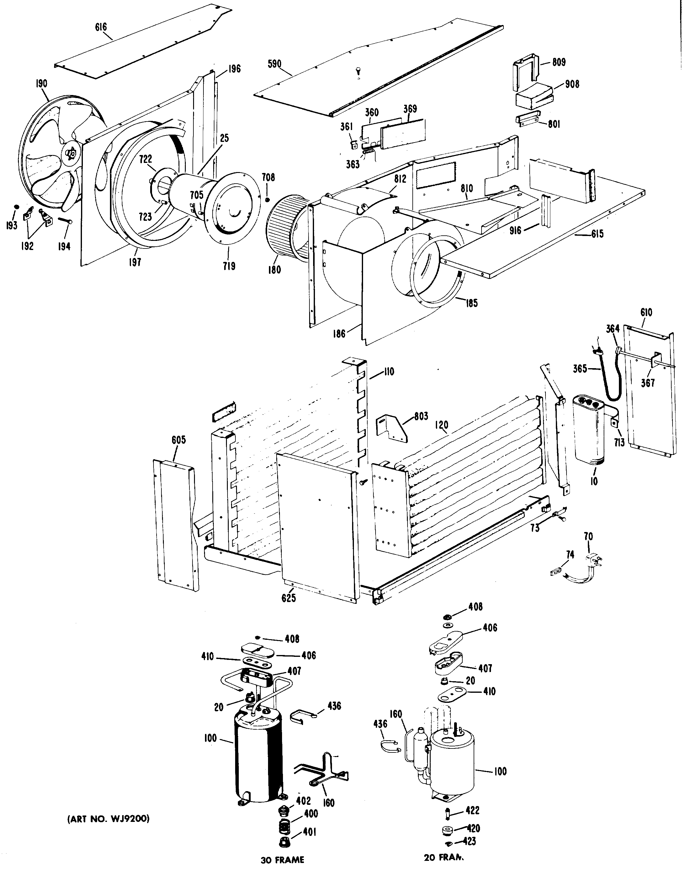
KM908FMP1 1