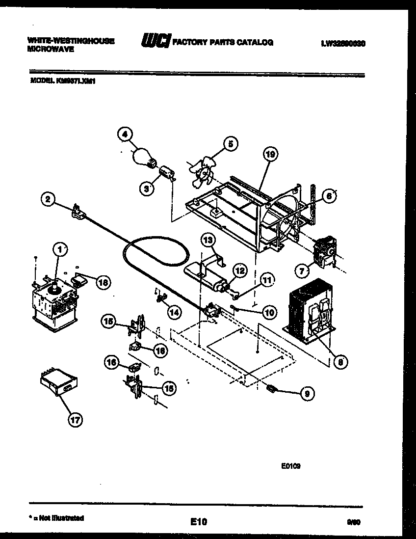
KM937LXM1 04 – POWER CONTROLadmin2025-04-26T11:02:14+00:00KM937LXM1 04 – POWER CONTROL ProductsPositionProduct*34810WCI 53030182511WCI 53032067812CORD-POWER3WCI 53030911974316538904 Frigidaire Oven Lamp Light5WCI 53032031926DUCT-AIR7WCI 53080376368WCI 53080376269CLIP10FUSE-20 AMP11DIODE HIGH VOLTAGE12WCI 530301166013WCI 530301377114WCI 530309128015BRACKET (2)16WCI 530320363617SWITCH-MONITOR18INSULATOR19SEAL-FOAM CUT TO SIZE