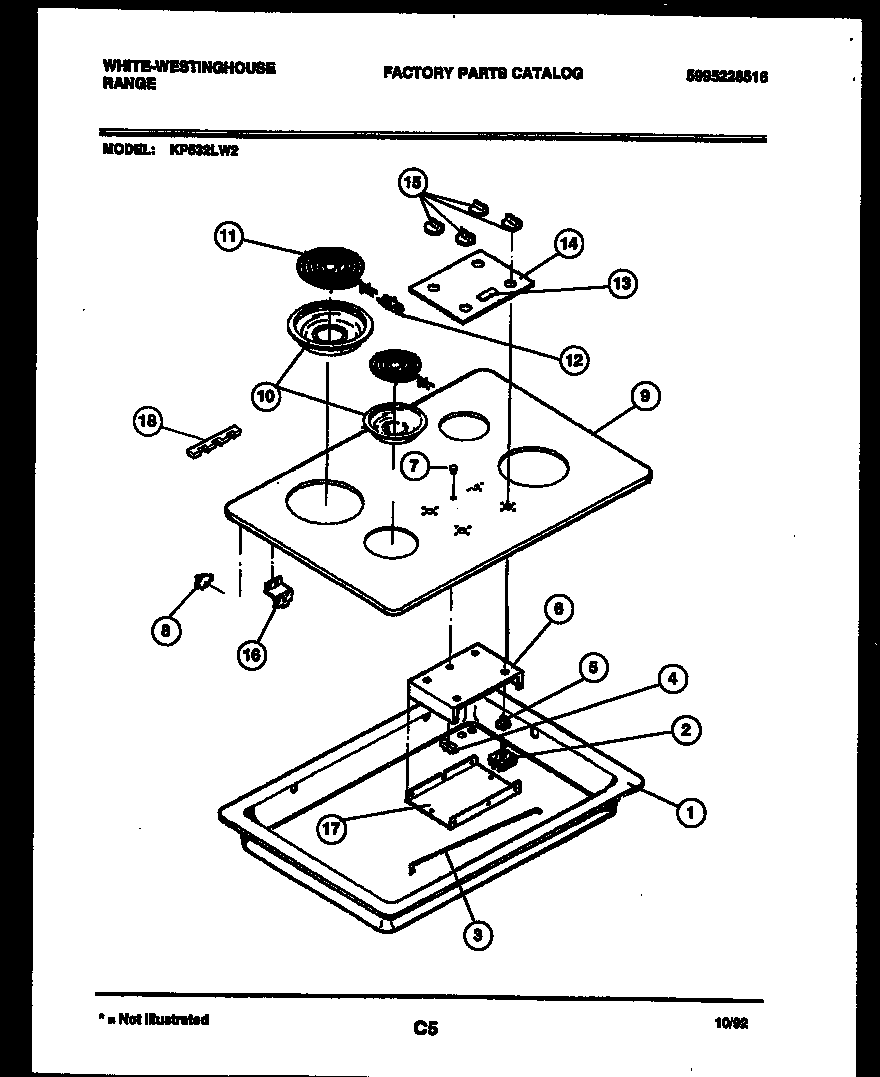
KP532LD2 02 – COOKTOP PARTSadmin2025-04-26T11:00:53+00:00KP532LD2 02 – COOKTOP PARTS ProductsPositionProduct*70519COVER-TERM. BLOCK*70519WCI 191S018F2331WCI 32004212A5303935086 Frigidaire Oven Top Burner Switch Kit3WCI 30168174INDICATOR LIGHT, OVEN5WCI 080078226PLATE, INSTRUMENT MTG7LENS PILOT LIGHT8WCI 30168299WCI 320042510316048413 Frigidaire Oven Range Chrome 8" Drip Bow10A316048414 Frigidaire Oven Range Chrome 6" Drip Bowl115308011964 Frigidaire Surface Element P111A318372211 Frigidaire Oven 6" Electric Range Burner Kit125303935058 Frigidaire Oven Burner Receptacle Kit135303017715 Frigidaire Medallion14WCI 320043315WCI 530301560816WCI 301682017COVER, INSTRUMENT MTG.185304409888 Frigidaire Oven Terminal Block with Hardware