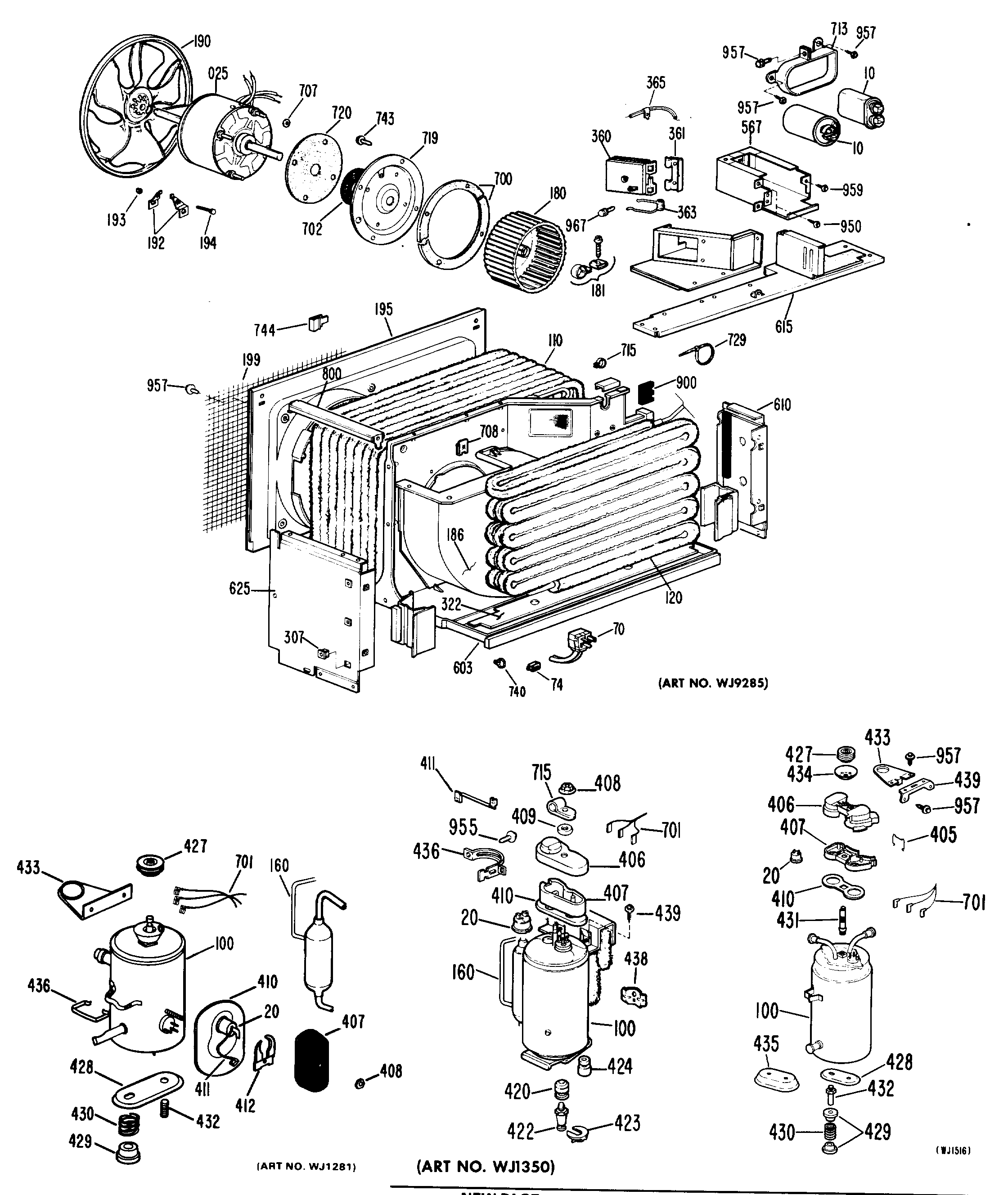
KQM08LAC1 1admin2025-04-26T10:16:37+00:00KQM08LAC1 1 ProductsPositionProduct10GEN WJ20X063720GEN WJ23X026870POWER CORD74GROMMET CORD POWER100GEN WJ98X0920180GEN WJ74X0091181BLOWER CLAMP ASSEMBLY186GEN WJ76X0244190GEN WJ73X0106192GEN WJ03X0215193FAN NUT194FAN SCREW194GEN WZ04X0342195GEN WJ78X0061199GEN WJ85X0111360GEN WJ70X0288361GEN WJ02X0451363GEN WJ02X0397365GEN WJ14X0117405GEN WJ02X0501406GEN WJ79X0458407GEN WJ79X0457410GEN WJ43X0422427GEN WJ01X0629428GEN WJ01X0620429GEN WJ02X0375430GEN WJ02X0502431GEN WJ01X0788432GEN WJ01X0641433GEN WJ66X0439434GEN WJ01X0789436GEN WJ02X0385439GEN WJ66X0441567GEN WJ79X0372603GEN WJ89X0088610GEN WJ82X0102625GEN WJ82X0100700GEN WJ43X0385701GEN WJ36X0022702GEN WJ43X0351708GEN WJ01X0445708GEN WJ01X0699713GEN WJ03X0335719GEN WJ65X0330720GEN WJ43X0384729GEN WJ02X0416743GEN WJ01X0700744GEN WJ02X0452800GEN WJ65X0332900GEN WJ43X0389950SCREW 11-10X9/16 HI-LOW957SCREW 10-16 X 1/2" HEX959SCREW 10-16 X 1/2" HEX967GEN WZ04X0275