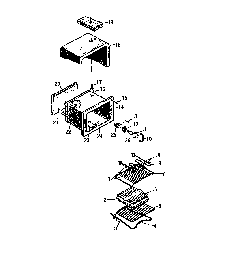
KS860GDD1 04 – OVEN CAVITYadmin2025-04-26T11:06:05+00:00KS860GDD1 04 – OVEN CAVITY ProductsPositionProduct2WCI K131797345303051519 Frigidaire Oven 2600W Bake Element5RACK (2)6WCI K13179727WCI K513350185303051516 Frigidaire Broil Element9HANGER10RETAINING WIRE115304524341 Frigidaire Lens12316116400 Frigidaire Oven Light Socket14WCI K132553715PLUG-BUTTON 3/4``16SCREW17WCI K505510218WCI K131133119WCI K131486320INSULATION-OVEN BACK22WCI KGM14201723BRACKET THERM. BULB2408002868 Frigidaire 0 Screw Assembly25CUP, OVEN LT26WCI Q63749