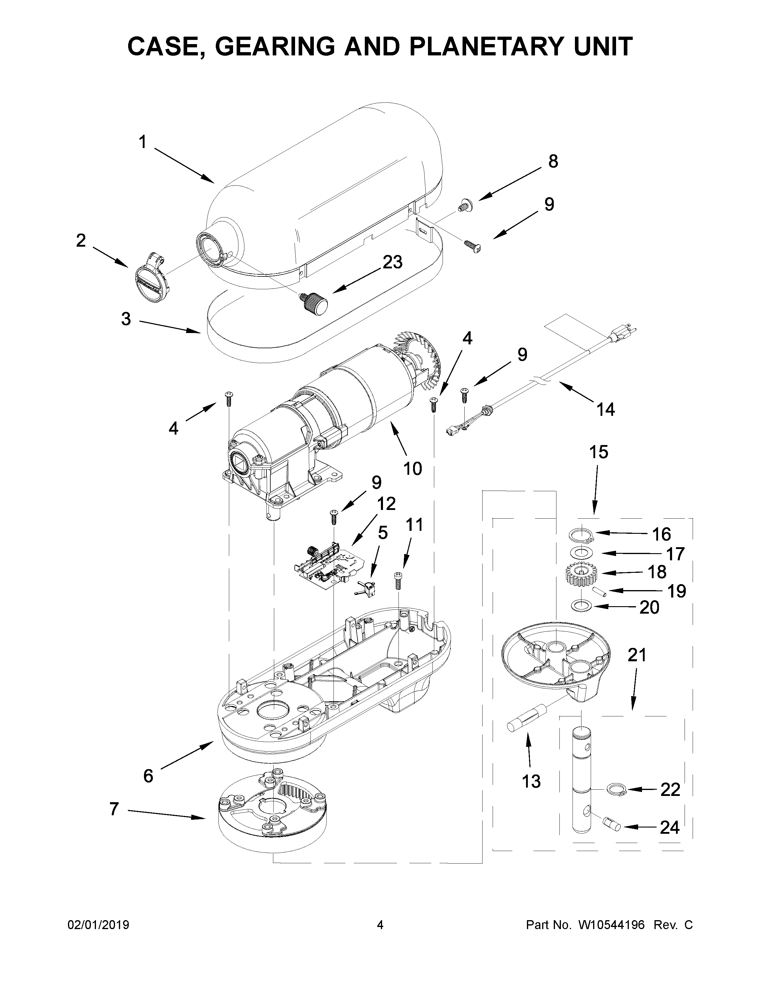
KSM7586PFP1 03 – CASE, GEARING AND PLANETARY UNITadmin2025-04-26T11:02:19+00:00KSM7586PFP1 03 – CASE, GEARING AND PLANETARY UNIT ProductsPositionProduct2W11123129 Whirlpool Hubcap4W10914506 Whirlpool Screw5WPW10305968 Whirlpool Holder7GEAR, RING AND PLATE ASSEMBLY8W10853069 Whirlpool Screw9WP3400814 Whirlpool Screw10WPW10517938 Whirlpool Motor Assembly11W10913677 Whirlpool Screw12W11666266 Whirlpool Speed Control13WPW10234531 Whirlpool Dishwasher Groove Pin14W11197466 Whirlpool Power Cord14ACORD, POWER (WHITE)15CABINET (NOT A SERVICEABLE PART)16WP9703438 Whirlpool Snap Retaining Ring17WP9706090 Whirlpool Washer18WPW10234643 Whirlpool Gear Assembly19WP9707223 Whirlpool Dowel Pin20W10854966 Whirlpool Washer21WP9708191 Whirlpool Agitator Shaft22WP9703680 Whirlpool Retainer Ring23W10512907 Whirlpool Screw24W11664709 Whirlpool Groove Pin