KSRB22DWAL02 02 – CABINETadmin2025-04-26T11:29:52+00:00KSRB22DWAL02 02 – CABINET
Products
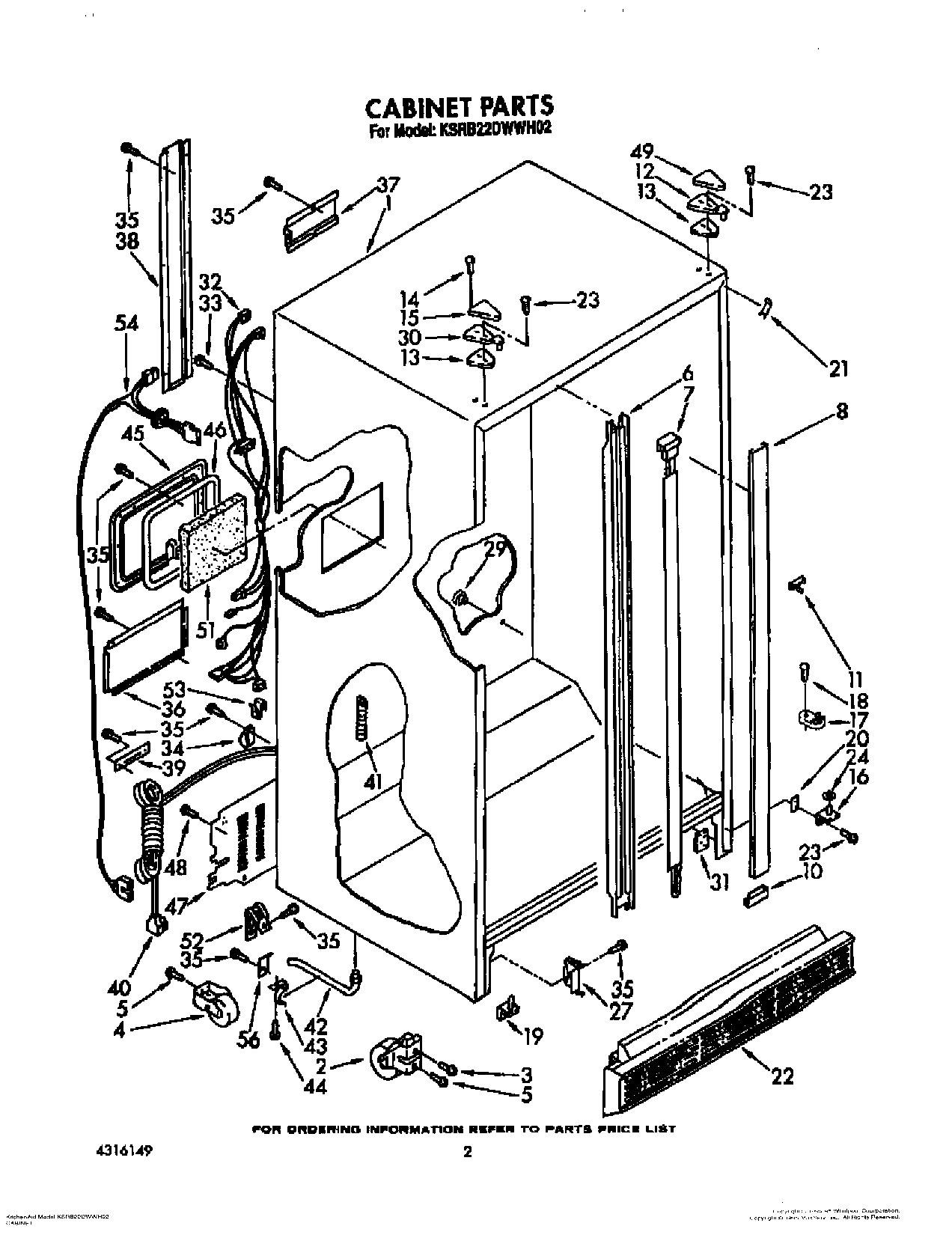
| Position | Product |
|---|
| 1 | Cabinet (Not A Serviceable Part) |
| 2 | Front Roller (2) |
| 3 | Screw |
| 4 | WPW10250570 Whirlpool Refrigerator Cabinet Roller |
| 5 | WP489427 Whirlpool Refrigerator Screw |
| 6 | Mullion Rail |
| 7 | Heater, Mullion |
| 8 | Front Mullion Rail |
| 8 | Front Mullion Rail (Almond) |
| 10 | Filler Bottom Mullion (White) |
| 10 | Filler Bottom Mullion (Almond) |
| 11 | Clip, Ground |
| 12 | Hinge, Top |
| 13 | Shim, Hinge Top |
| 14 | Screw |
| 15 | Hinge Cover (Almond) |
| 15 | Hinge Cover (White) |
| 16 | Hinge Bottom (R.H.) |
| 17 | WPW10329686 Whirlpool Door Cam Black |
| 18 | WP489399 Whirlpool Refrigerator Screw |
| 19 | hinge Bottom (L.H.) |
| 20 | Spacer, Hinge |
| 21 | Filler, Wrapper (Almond) |
| 21 | Filler, Wrapper (White) |
| 22 | Grille |
| 23 | Screw |
| 24 | Washer, 7/16 |
| 27 | WP2155013 Whirlpool Refrigerator Clip |
| 29 | Grommet |
| 30 | Hinge, Top (L.H.) |
| 31 | Tap Plate (2) |
| 32 | Cabinet Harness |
| 33 | WP250830 Whirlpool Refrigerator Screw |
| 34 | Clamp |
| 35 | WP489478 Whirlpool Refrigerator Screw |
| 36 | Cover, Wiring |
| 37 | Wiring Shield, Short |
| 38 | Wiring Shield, Long |
| 39 | Tube Clamp (2) |
| 40 | Cord, Service |
| 41 | Drain Ferrule |
| 42 | WP1108438 Whirlpool Refrigerator Extension |
| 43 | WP1108439 Whirlpool Refrigerator Clip |
| 44 | Screw, 8-15 x 3/8 |
| 45 | Cover, Plug |
| 46 | Sealing Gasket |
| 47 | Cover, Unit |
| 49 | Hinge Cover (Almond) |
| 49 | Hinge Cover (White) |
| 51 | Insulation |
| 52 | 549193 Whirlpool Refrigerator Power Clamp |
| 53 | Clip, Wire (2) |
| 54 | WP2187501 Whirlpool Refrigerator Wire Harness |
| 56 | Clamp, Water Line (2) |