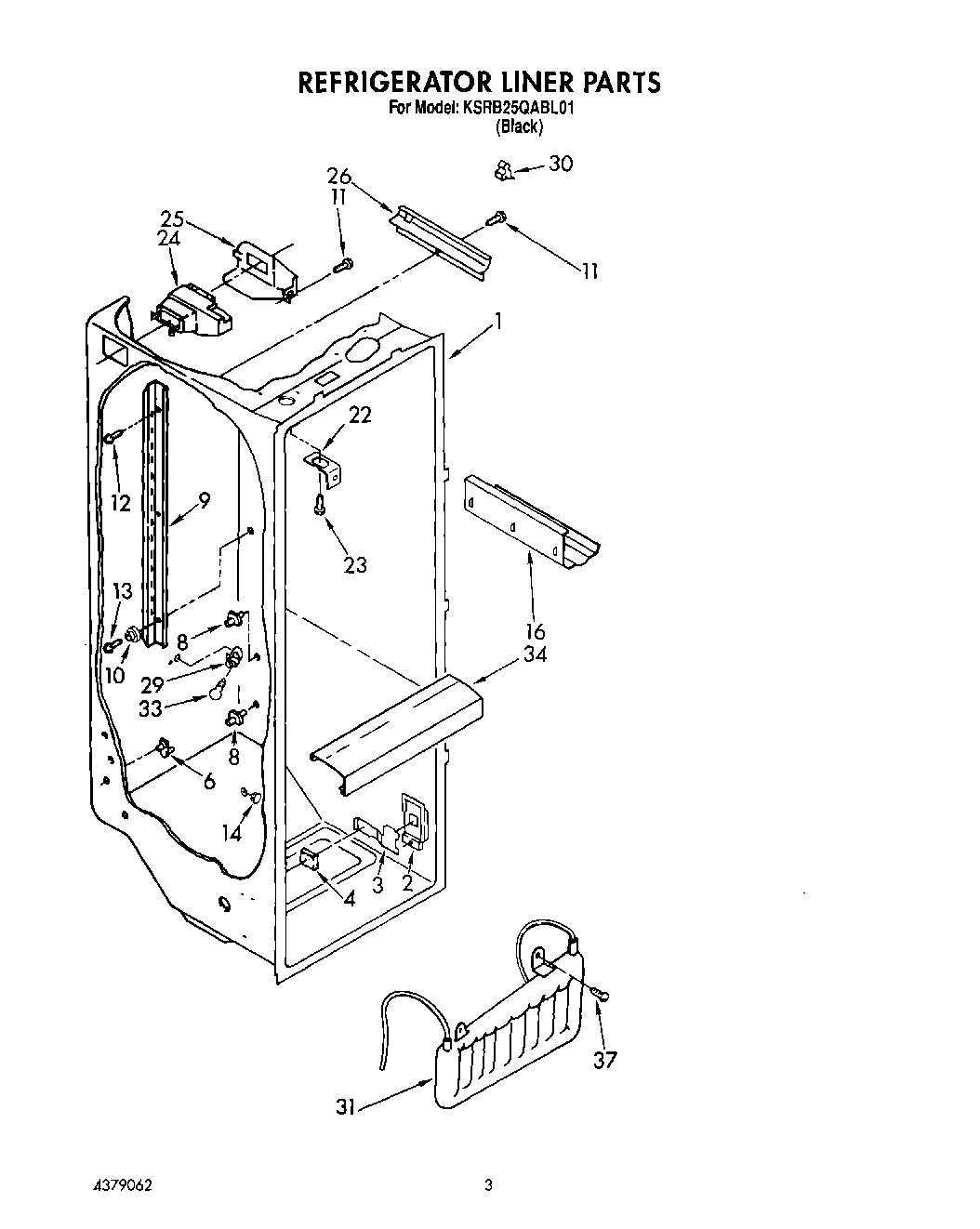
KSRB25QABL01 02 – REFRIGERATOR LINERadmin2025-04-26T12:19:15+00:00KSRB25QABL01 02 – REFRIGERATOR LINER ProductsPositionProduct1Liner (Not A Serviceable Part)2Escutcheon, Meat Pan Control3Slide, Meat Pan Control4Pad, Foam6Stud, Pan Cover84388538 Whirlpool Refrigerator Stud Shelf Kit (White)9Shelf Ladder10Stud11W10759522 Whirlpool Screw12WP488729 Whirlpool Refrigerator Door Screw13Screw14WP941839 Whirlpool Refrigerator Button Plug16Wine & Egg Rack22WP2256085 Whirlpool Refrigerator Retainer23WP488488 Whirlpool Refrigerator Screw24WPW10151374 Whirlpool Refrigerator Diffuser252152019 Whirlpool Refrigerator Cover262150331 Whirlpool Refrigerator Wire Cover294387478 Whirlpool Refrigerator Light Socket302215823 Whirlpool Refrigerator Clip31WP2256126 Whirlpool Refrigerator Reservoir33RANGE ONLY 40W 120V APPL BULB34Light Lens37Screw (2)