KSRB27QWAL00 13 – ICEMAKER, NOT ILLUSTRATED

KSRB27QWAL00 13 – ICEMAKER, NOT ILLUSTRATED

Products

PositionProduct
350930 Whirlpool White Spray Paint
285006 Whirlpool Spray
Torx Key
350942 Whirlpool Spray Paint
WPL LIT628107
Leveler (Thinner)
WPL LIT1125643
WPL LIT1126116
WPL LIT1126117
350956 Whirlpool Spray Assembly
WPL LIT4316161
2WP2196157 Whirlpool Fill Tube
3WP488878 Whirlpool Refrigerator Tube Clamp
44387491 Whirlpool Refrigerator Insert
5WP628379 Whirlpool Refrigerator Clip
6WP2158826 Whirlpool Refrigerator Dampener
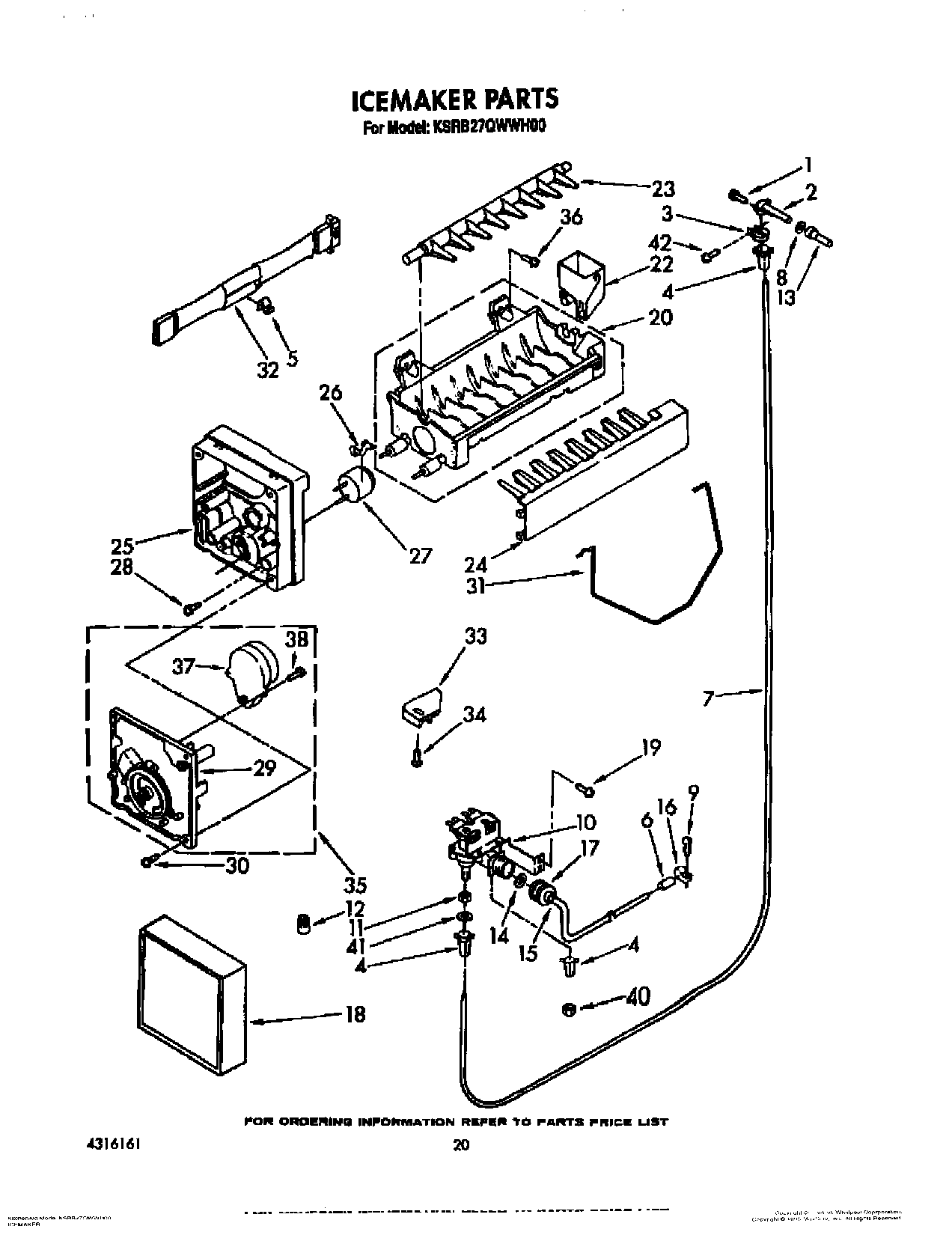
7W10823511 Whirlpool Refrigerator Water Tube
8WP1106508 Whirlpool Refrigerator Gasket
9Screw, 8-15 x 1/2 (4)
104318046 Whirlpool Dual Water Inlet Valve
11WP627018 Whirlpool Refrigerator Nut
12Wire Connector
13Tube, Water Inlet
14WP16123 Whirlpool Washer
15Tube, Inlet Valve
16Clamp Tube
17Nut, Valve
18Cover
19WPW10141625 Whirlpool Refrigerator Screw Assembly
20WPW10190929 Whirlpool Refrigerator Ice Maker Mold
22WP628356 Whirlpool Refrigerator Fill Cup
23WP627843 Whirlpool Refrigerator Ejector Arm
24WP2182124 Whirlpool Refrigerator Stripper Arm
25WP2195914 Whirlpool Refrigerator Ice Maker Housing
26WP2315522 Whirlpool Refrigerator Clip
27WP627985 Whirlpool Icemaker Cycling Thermostat
288533917 Whirlpool Refrigerator Screw
30WP681249 Whirlpool Screw Assembly
31W11342242 Whirlpool Refrigerator Ice Level Arm
32WP2187464 Whirlpool Refrigerator Wire Harness
33W11500948 Whirlpool Refrigerator Bracket
34Screw, 8-32 x 27/64
35W10190935 Whirlpool Refrigerator Icemaker Motor Module Assembly
36WP488163 Whirlpool Refrigerator Screw
38489136 Whirlpool Refrigerator Screw
40Nut, Compression
41``O`` Ring Seal
42WP488787 Whirlpool Refrigerator Screw
100606755 Whirlpool Refrigerator Bag
100212643 Whirlpool Refrigerator Permagum Sealer
100WP72107 Whirlpool Touchup
100799344 Whirlpool Refrigerator Paint
100TAPE, VINYL (3/4 X 108``)
100Almond (Uncut)
10072017 Whirlpool Appliance Touch-Up Paint White
1004317943 Whirlpool Refrigerator Ice Maker Assembly
100Transformer (115-230 Volt)
100WPL 876029
100WPL 799833
100Enamel, Black (1 Qt. Uncut)
100CEMENT, ALUMILASTIC (1 1/4 OZ.)
10072032 Whirlpool Touch Up Paint Black
100WP542638 Whirlpool Refrigerator Grease
100WP505587 Whirlpool Refrigerator Sealer
100WP503695 Whirlpool Refrigerator Sealer
100876370 Whirlpool Refrigerator Insulation
100833938 Whirlpool Refrigerator Terminal
100511873 Whirlpool Refrigerator Paint