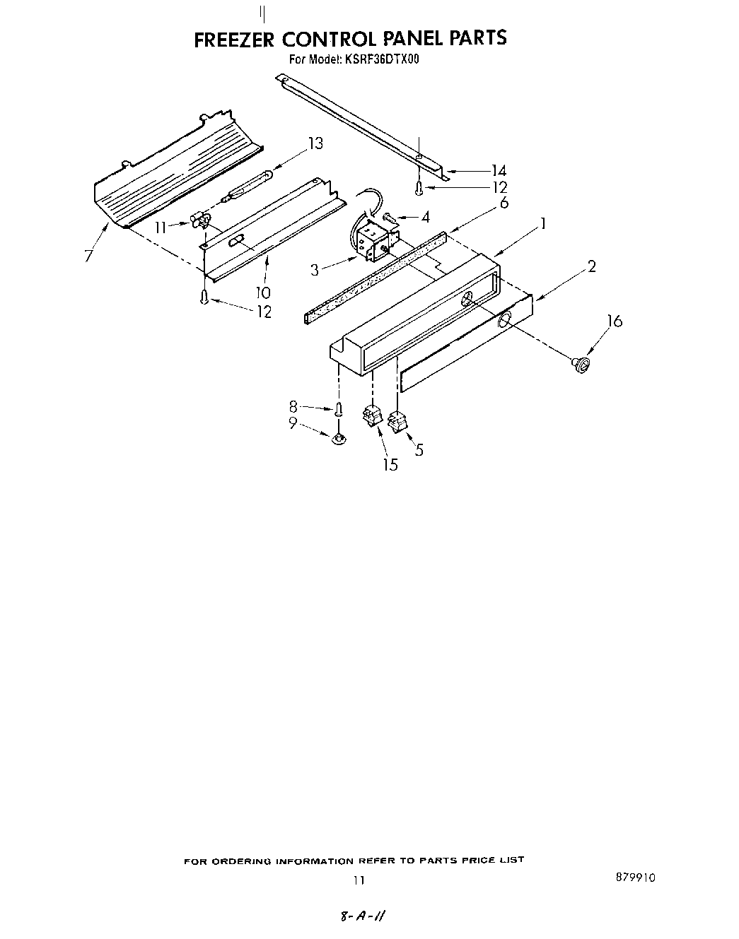
KSRF36DTX00 08 – FREEZER CONTROL PANELadmin2025-04-26T12:21:43+00:00KSRF36DTX00 08 – FREEZER CONTROL PANEL ProductsPositionProduct1Control Panel2Inlay, Control Panel3WP1113466 Whirlpool Refrigerator Thermostat4Screw, 8-32 x 3/85WP4387911 Whirlpool Refrigerator Switch6Seal, Control Panel7Lens8Screw (3)9Hole Plug (2)10Shield, Control Panel11Socket, Light12SCREW12W11624204 Whirlpool Screw13WP548049 Whirlpool Refrigerator Light Bulb14Channel, Wiring15W11384469 Whirlpool Door Switch16Knob, Thermostat