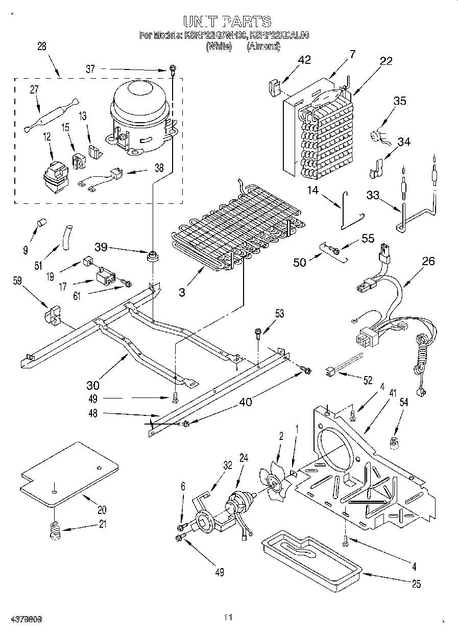
KSRP22KDAL00 08 – UNIT

KSRP22KDAL00 08 – UNIT