KSRP22QDAL01 10 – UNIT

KSRP22QDAL01 10 – UNIT

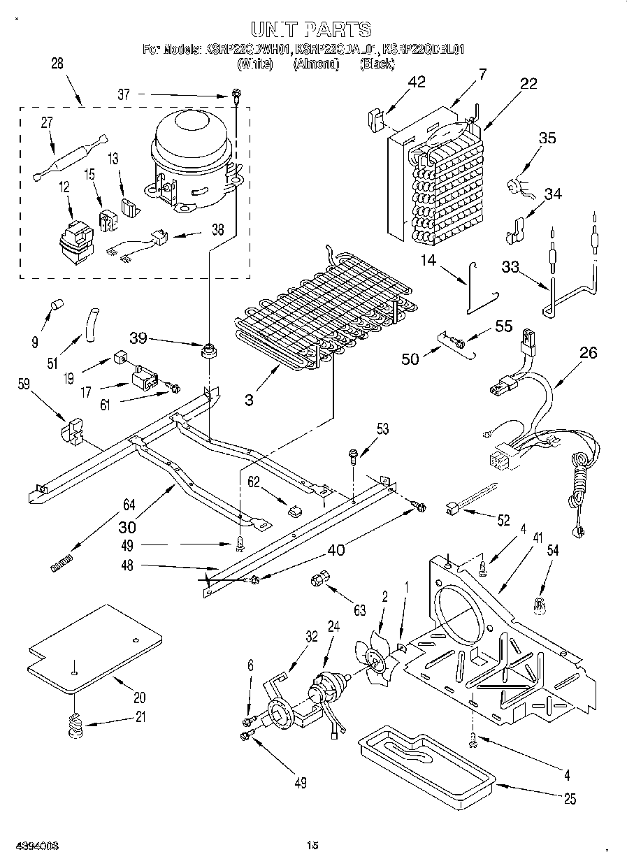
Products

PositionProduct
1WP486692 Whirlpool Refrigerator Nut
2Fan, Blade
3Condenser Assembly
4WP489464 Whirlpool Refrigerator Screw
6681390 Whirlpool Refrigerator Screw
7Heat Shield
9WP2158826 Whirlpool Refrigerator Dampener
12WP2162358 Whirlpool Refrigerator Terminal Cover
13OVERLOAD
14Clamp
15Relay (See Overload)
17Capacitor
19Screw Grommet
20Cover-Unit Btm.
21489396 Whirlpool Refrigerator Clip
22WP2188822 Whirlpool Refrigerator Evaporator
24833697 Whirlpool Condenser Fan Motor
25Tray, Evaporator
26Unit, Harness
27W10843121 Whirlpool Refrigerator Tube
28876765 Whirlpool Primary Mounting Kit Refrigerator
28W10309990 Whirlpool Refrigerator Compressor
302304903 Whirlpool Refrigerator Frame
32Bracket, Motor
33WP2323197 Whirlpool Refrigerator Heater
34Clip
35WPW10225581 Whirlpool Refrigerator Defrost Thermostat
38WP2172890 Whirlpool Refrigerator Wire
39876811 Whirlpool Grommet
40489340 Whirlpool Refrigerator Screw
41W10896764 Whirlpool Refrigerator Air Baffle
42Clip, Heat Shield
48Unit Mounting Rail
49Screw, 8 x 3/8
501105612 Whirlpool Fan Guard
51SLEEVE
52Strap
53WP489427 Whirlpool Refrigerator Screw
54Wire Connector
55WP489478 Whirlpool Refrigerator Screw
59Clip, Wire
61W11693756 Whirlpool Screw Assembly
62Clip, Tube (3)
63WP4211117 Whirlpool Refrigerator Connector
64978027 Whirlpool Refrigerator Primary Valve
64WP978025 Whirlpool Refrigerator Valve
64VALVE, ACCESS (1/2``)
64876764 Whirlpool Refrigerator Primary Valve
64Spring-Tube
64978030 Whirlpool Refrigerator Valve
64VALVE, ACCESS (5/8``)
64978026 Whirlpool Refrigerator Primary Valve