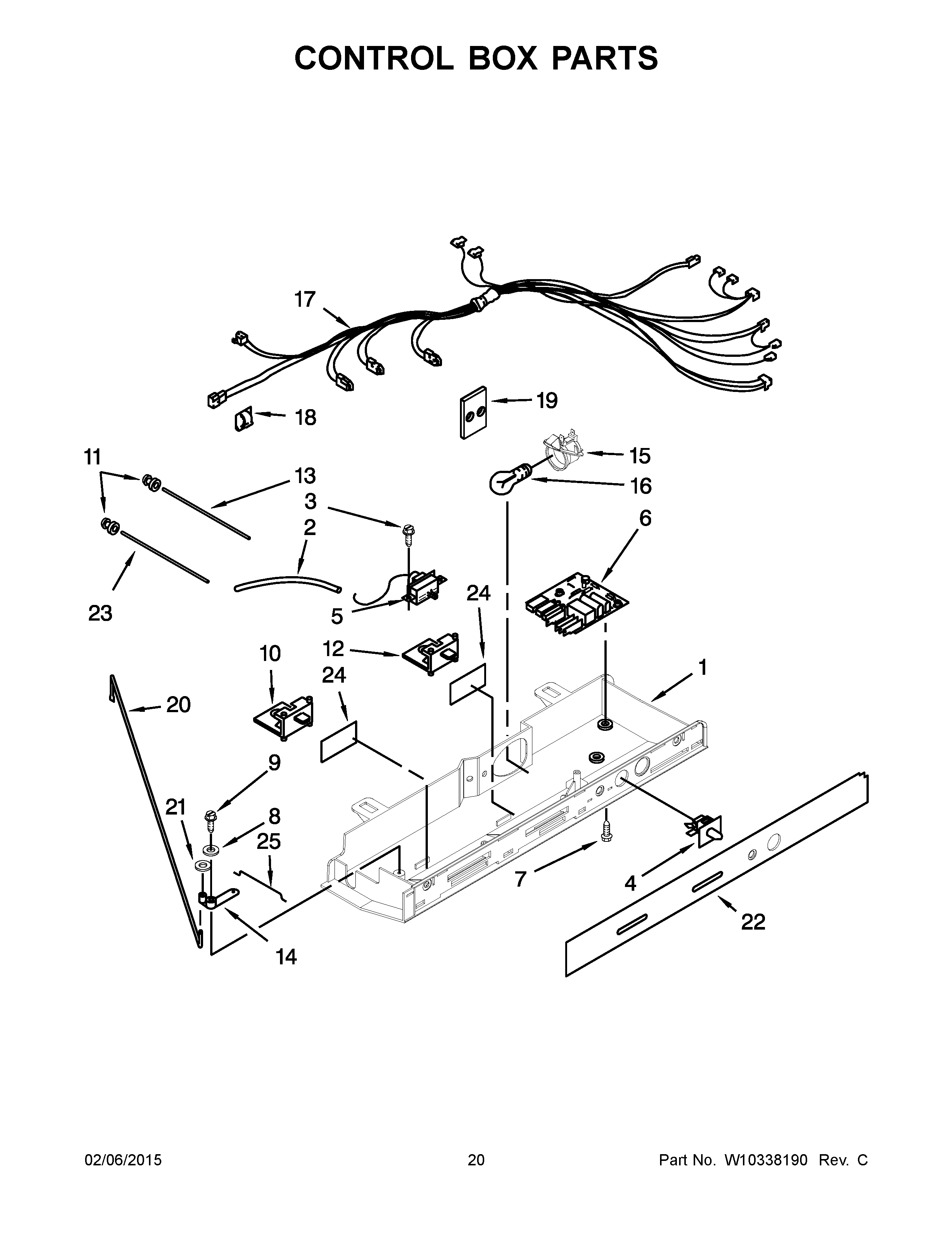
KSRV22FVMS03 11 – CONTROL BOX PARTSadmin2025-04-26T12:08:05+00:00KSRV22FVMS03 11 – CONTROL BOX PARTS ProductsPositionProduct1Control Box2WP2196003 Whirlpool Refrigerator Bar Riser32006254 Whirlpool Refrigerator Screw4WP2149705 Whirlpool Refrigerator Door Switch5WP2315562 Whirlpool Refrigerator Thermostat64388932 Whirlpool Refrigerator Adaptive Defrost Timer Kit7489392 Whirlpool Refrigerator Screw8489203 Whirlpool Refrigerator Washer9627068 Whirlpool Refrigerator Screw102181741 Whirlpool Refrigerator Slide11Grommet, Light Fiber122161466 Whirlpool Refrigerator Slide13Fiber Optic142161306 Whirlpool Refrigerator Arm Pivot154387478 Whirlpool Refrigerator Light Socket16W11679940 Whirlpool Refrigerator Light Bulb Assembly172310533 Whirlpool Refrigerator Wire Harness18WP1115374 Whirlpool Refrigerator Clip192172931 Whirlpool Refrigerator Shield202161308 Whirlpool Refrigerator Rod21Fastener, Push-On22FRONT COVER, CONTROL BOX23Light Bar (FC)24Window252161307 Whirlpool Refrigerator Rod