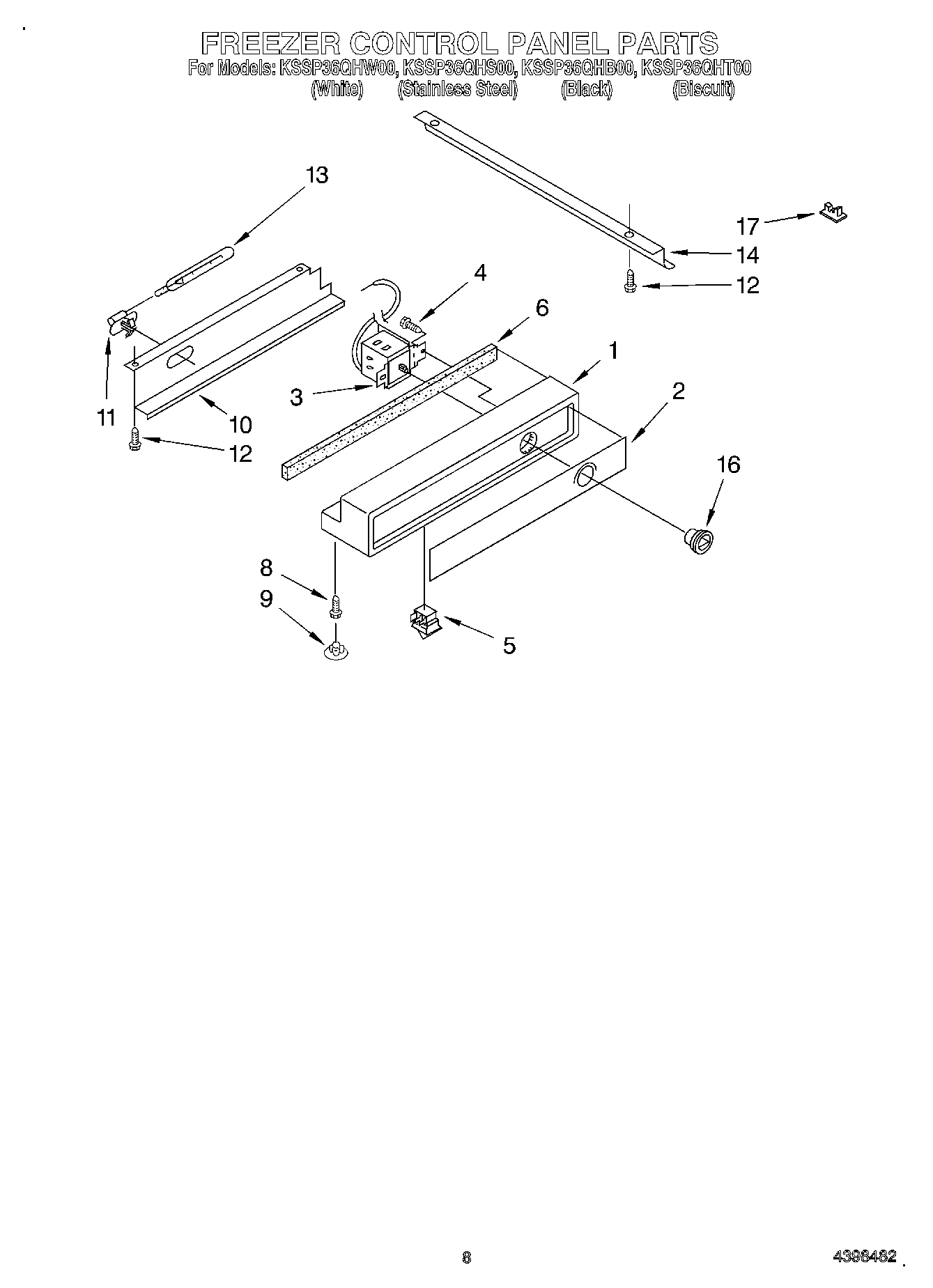
KSSP36QHS00 06 – FREEZER CONTROL PANEL