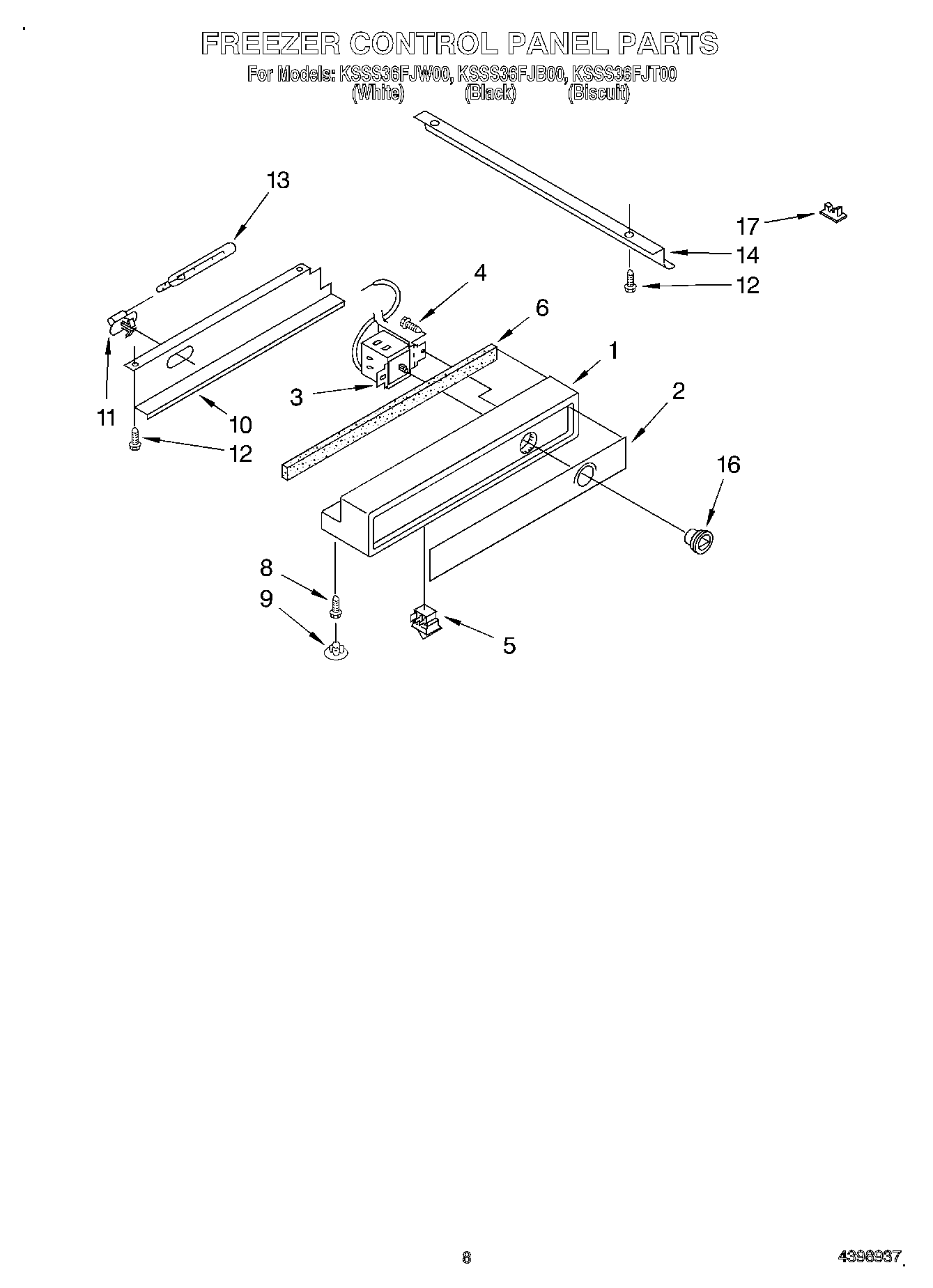
KSSS36FJW00 06 – FREEZER CONTROL PANEL