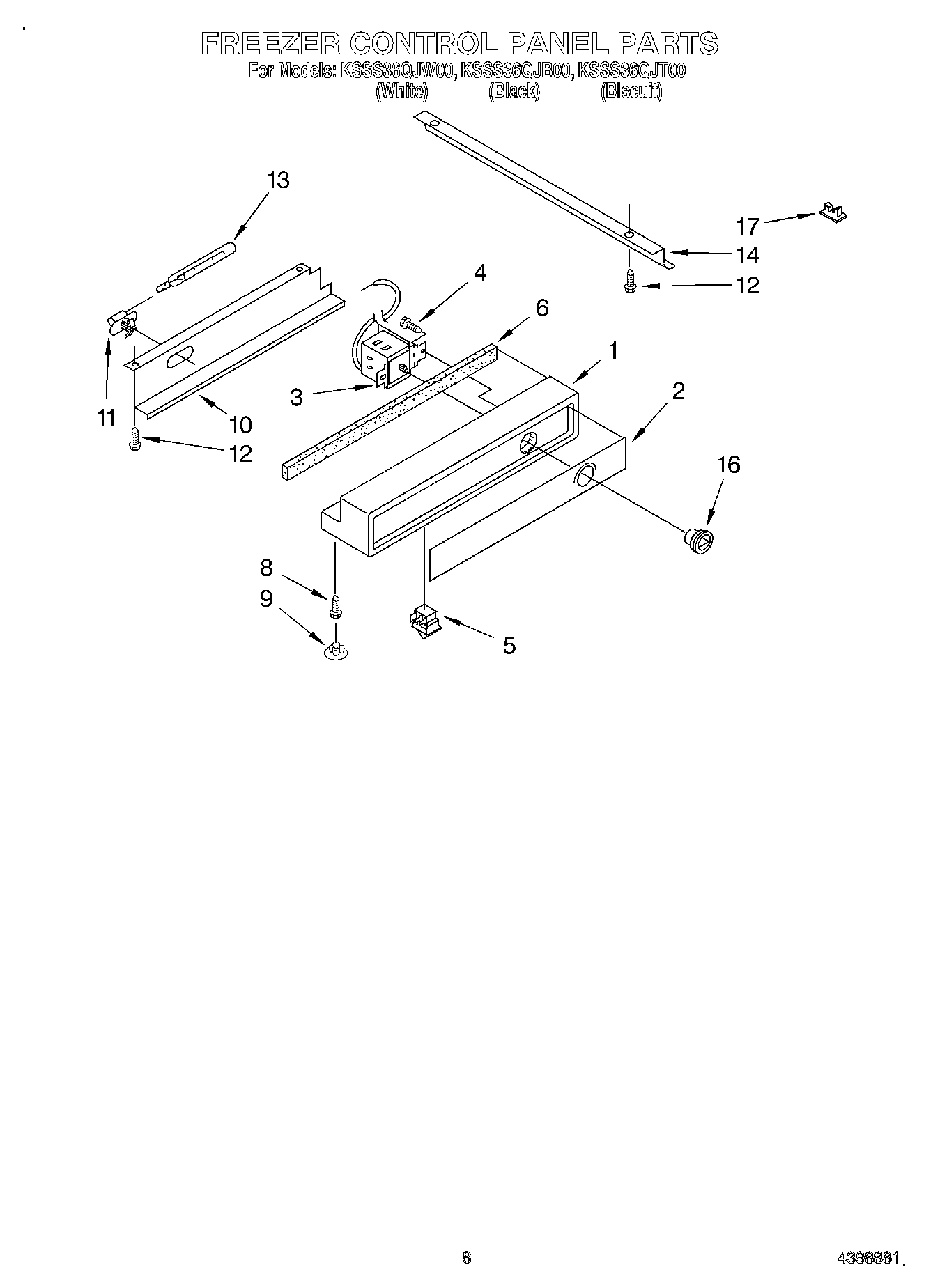
KSSS36QJW00 06 – FREEZER CONTROL PANEL