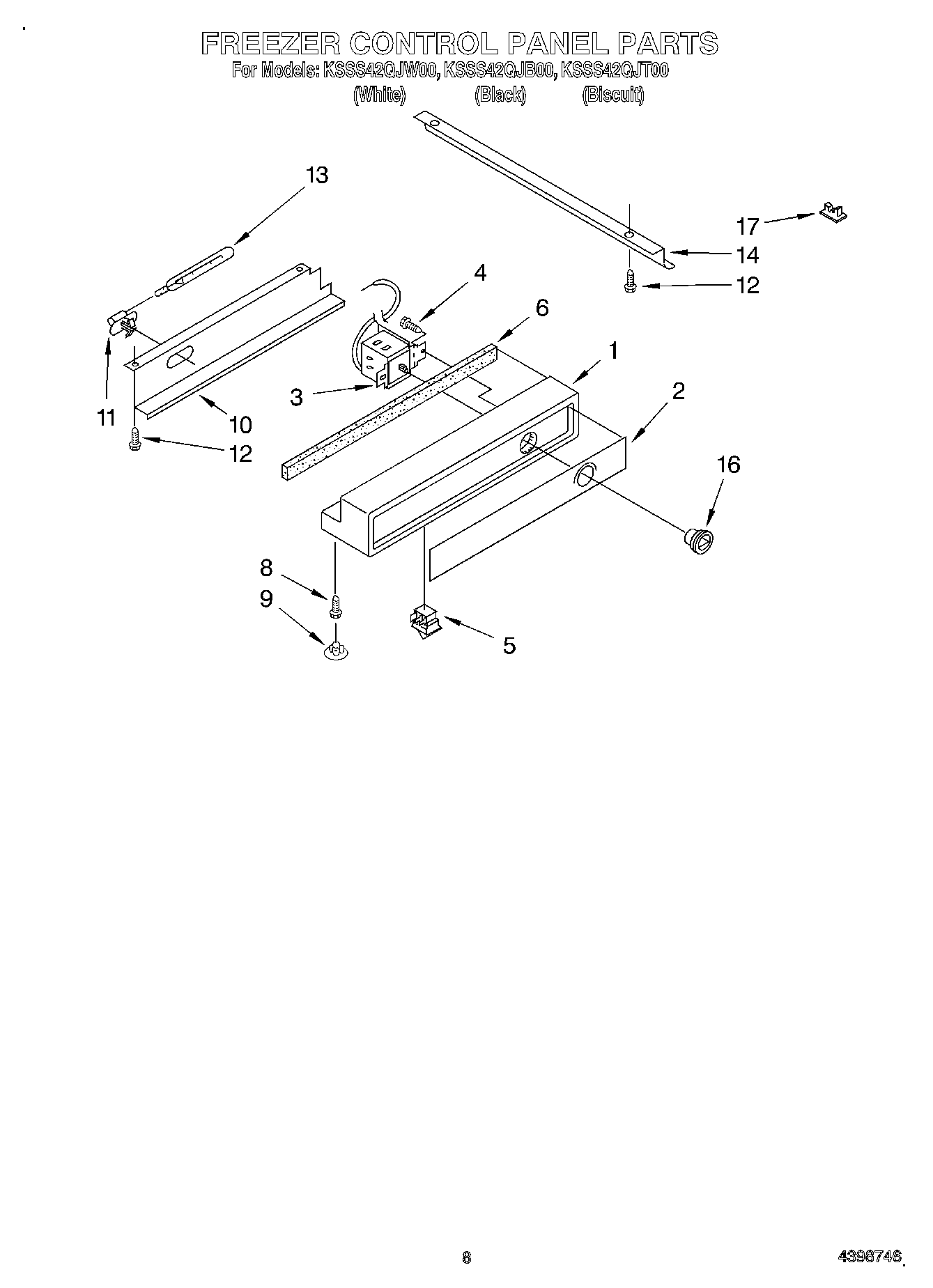
KSSS42QJT00 06 – FREEZER CONTROL PANELadmin2025-04-26T12:11:43+00:00KSSS42QJT00 06 – FREEZER CONTROL PANEL ProductsPositionProduct1Control Panel2Inlay, Control Panel3WP1113466 Whirlpool Refrigerator Thermostat4Screw, 8-32 x 3/85W11457217 Whirlpool Refrigerator Rocker Switch Combination6Seal, Control Panel8Screw (3)9Hole Plug (3)10Shield, Control Panel11Socket, Light12W11624204 Whirlpool Screw13WP548049 Whirlpool Refrigerator Light Bulb14Channel, Wiring16Knob, Thermostat17CLIP, WIRING