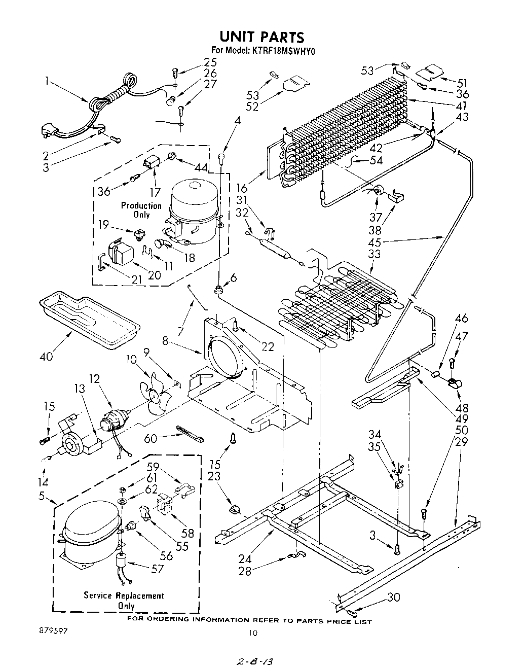
KTRF18MSWHY0 06 – UNIT

KTRF18MSWHY0 06 – UNIT

Products

PositionProduct
1Cord, Service
2549193 Whirlpool Refrigerator Power Clamp
3W11624204 Whirlpool Screw
5Compressor (Includes Items 43, 44, 45, 46, 47, 51, & 52) (Also Order 482801 Mounting Kit & 876765 Tu
6876811 Whirlpool Grommet
7Guard, Fan
8Baffle
9WP486692 Whirlpool Refrigerator Nut
10Fan, Blade
11Spring, Overload
12833697 Whirlpool Condenser Fan Motor
13Bracket, Motor
14681390 Whirlpool Refrigerator Screw
15Screw, 8 x 3/8
16Baffle, Evaporator
17WPW10662129 Whirlpool Refrigerator Run Capacitor
18Overload
19Relay
20Case, Relay
21case spring
22Screw, 8-32 x 1/2
23Clip, Wire (2)
24Frame
25Screw, 8-32 x 3/8
26Wire Connector
27303776 Whirlpool Dishwasher Screw
28Clip (2)
29Rail, Front
30489340 Whirlpool Refrigerator Screw
31Clamp
32W10843121 Whirlpool Refrigerator Tube
33Condenser & Precooler
34Clamp (4)
35Grommet (4)
36W11693756 Whirlpool Screw Assembly
37WP4387489 Whirlpool Refrigerator Bi-Metal Defrost Thermostat
38Clamp
40WPL 842041
41Evaporator
42Clip, Heater (2)
43Heater, Defrost
44Screw Grommet
45Exchanger, Heat
46Dampener (2)
47WPW10141625 Whirlpool Refrigerator Screw Assembly
48Clamp Tube
49Pan, Drip
50Screw, 1/4-28 x 1/2 (2)
51Baffle, R.S.
52Baffle, L.S.
53Retainer, Baffle (2)
54Support, Heater
55Relay
56Overload
57Capacitor
58Cover, Terminal
59Strap
60Strap
61Nut
62978026 Whirlpool Refrigerator Primary Valve
62978027 Whirlpool Refrigerator Primary Valve
62978030 Whirlpool Refrigerator Valve
62WP978025 Whirlpool Refrigerator Valve
62VALVE, ACCESS (1/2``)
62Washer
62876764 Whirlpool Refrigerator Primary Valve
62VALVE, ACCESS (5/8``)