KTRF18MTAL00 06 – UNIT

KTRF18MTAL00 06 – UNIT

Products

PositionProduct
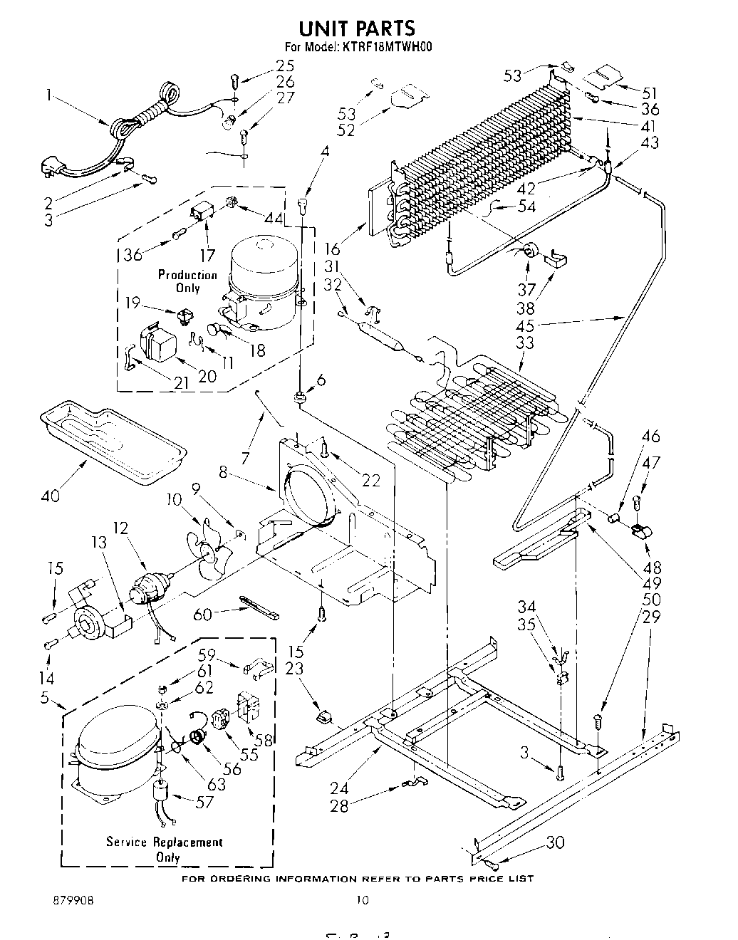
1Cord, Service
2549193 Whirlpool Refrigerator Power Clamp
3W11624204 Whirlpool Screw
5Compressor (Includes Items 43, 44, 45, 46, 47, 51, & 52) (Also Order 482801 Mounting Kit & 876765 Tu
6876811 Whirlpool Grommet
7Guard, Fan
8Baffle
9WP486692 Whirlpool Refrigerator Nut
10Fan, Blade
11Spring, Overload
12833697 Whirlpool Condenser Fan Motor
13Bracket, Motor
14681390 Whirlpool Refrigerator Screw
15Screw, 8 x 3/8
16Baffle, Evaporator
17WPW10662129 Whirlpool Refrigerator Run Capacitor
18Overload
19Relay
20Case, Relay
21case spring
22Screw, 8-32 x 1/2
23Clip, Wire (2)
24Frame
25Screw, 8-32 x 3/8
26Wire Connector
27303776 Whirlpool Dishwasher Screw
28Clip (2)
29Rail, Front
30489340 Whirlpool Refrigerator Screw
31Clamp
32W10843121 Whirlpool Refrigerator Tube
33Condenser & Precooler
34Clamp (4)
35Grommet (4)
36W11693756 Whirlpool Screw Assembly
37WP4387489 Whirlpool Refrigerator Bi-Metal Defrost Thermostat
38Clamp
40WPL 842041
41Evaporator
42Clip, Heater (2)
43Heater, Defrost
44Screw Grommet
45Exchanger, Heat
46Dampener (2)
47WPW10141625 Whirlpool Refrigerator Screw Assembly
48Clamp Tube
49Pan, Drip
50Screw, 1/4-28 x 1/2 (2)
51Baffle, R.S.
52Baffle, L.S.
53Retainer, Baffle (2)
54Support, Heater
55WP2262181 Whirlpool Refrigerator Start Relay
56Overload
57Capacitor
58Cover, Terminal
59Strap
60Strap
61Nut
62Washer
63VALVE, ACCESS (1/2``)
63WP978025 Whirlpool Refrigerator Valve
63876764 Whirlpool Refrigerator Primary Valve
63978030 Whirlpool Refrigerator Valve
63978027 Whirlpool Refrigerator Primary Valve
63978026 Whirlpool Refrigerator Primary Valve
63VALVE, ACCESS (5/8``)
63Overload Spring