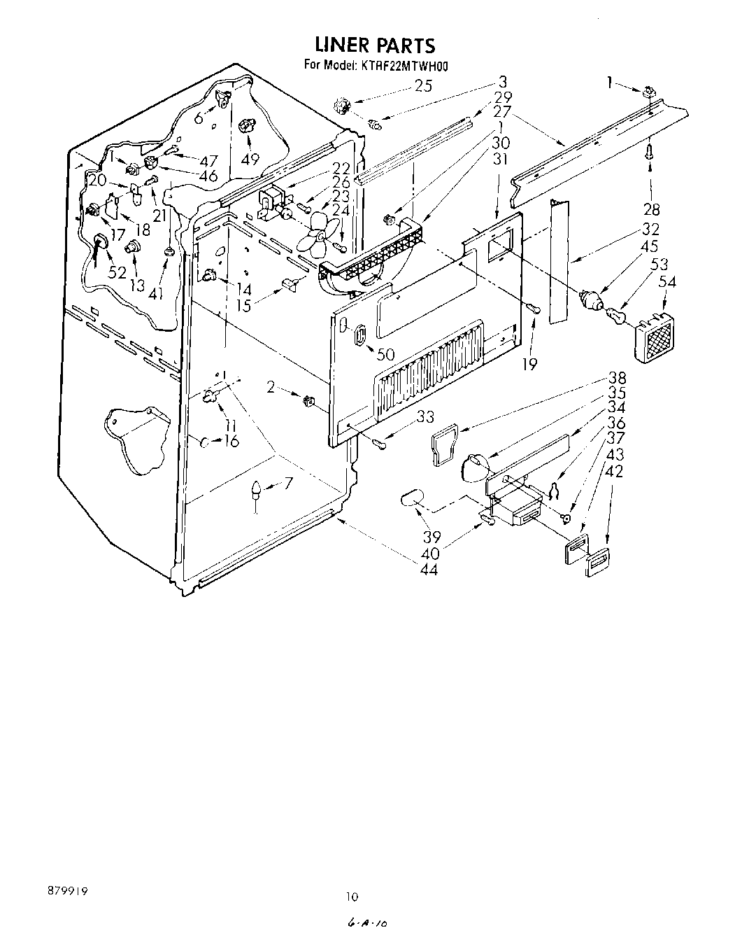
| 1 | Grommet |
| 2 | Grommet |
| 3 | Screw, Grommet |
| 6 | Stud, Support (2) |
| 7 | Grommet, Crisper Cover |
| 11 | Stud, Shelf (4) |
| 13 | Screw Grommet |
| 14 | Shelf Stud |
| 15 | Retainer, Stud (4) |
| 16 | Hole, Plug |
| 17 | Screw, Anchor (3) |
| 18 | Screw Grommet |
| 19 | W11624204 Whirlpool Screw |
| 20 | Support Clip |
| 21 | SCREW |
| 22 | 482731 Whirlpool Refrigerator Evaporator Fan Motor Kit |
| 23 | WP1100938 Whirlpool Refrigerator Fan Blade |
| 24 | WP487887 Whirlpool Refrigerator Screw |
| 25 | Grommet |
| 26 | WP488488 Whirlpool Refrigerator Screw |
| 27 | Baffle, Liner Top |
| 29 | Gasket, Sealing |
| 30 | Scroll, Fan |
| 31 | Cover, Evaporator |
| 32 | Gasket, Evaporator Cover |
| 34 | Control Panel, Meat Pan |
| 35 | Damper Control |
| 36 | Retainer, Spring |
| 37 | Control Knob |
| 38 | Seal, Control Panel |
| 39 | Damper, Foam Pad |
| 40 | WP489069 Whirlpool Compactor Screw |
| 41 | Grommet (8) |
| 42 | Backup Plate |
| 43 | Seal, Control Panel |
| 44 | Liner (Not A Serviceable Part) |
| 45 | Socket |
| 46 | Shelf Stud, Saddle L.S. |
| 47 | WP488729 Whirlpool Refrigerator Door Screw |
| 49 | Shelf Stud Saddle (R.S.) |
| 50 | Hole Plug |
| 52 | Wiring, Ice Maker |
| 53 | RANGE ONLY 40W 120V APPL BULB |
| 54 | Light Lens |