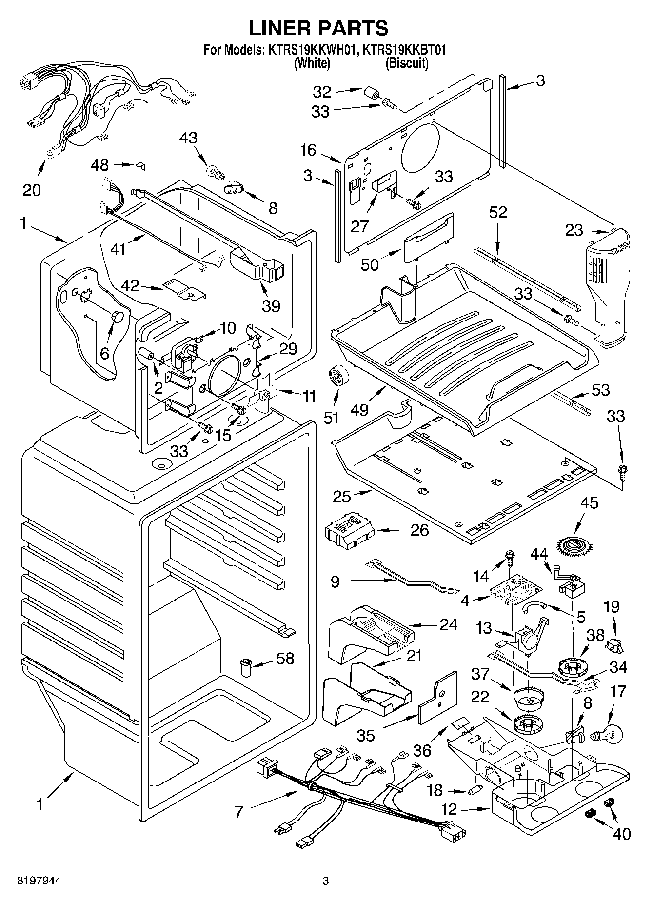
KTRS19KKWH01 02 – LINER