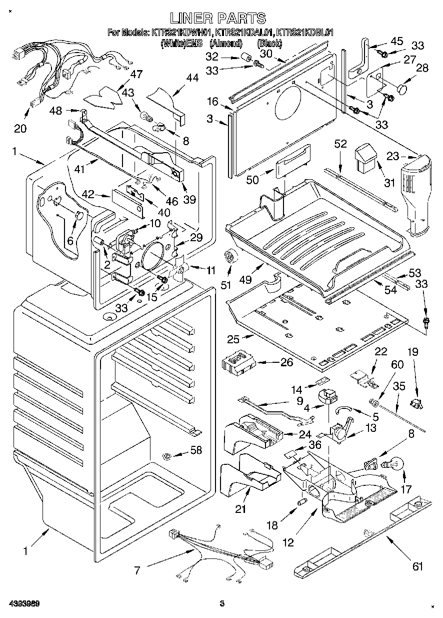
| 1 | Liner (Not A Serviceable Part) |
| 2 | Grommet |
| 4 | WP2183400 Whirlpool Defrost Timer |
| 5 | WP2196003 Whirlpool Refrigerator Bar Riser |
| 6 | Seal, Air Diffuser |
| 7 | Wire Assy. Control Box |
| 8 | 4387478 Whirlpool Refrigerator Light Socket |
| 9 | Air Damper (Slide) |
| 10 | Fan Motor |
| 11 | WP2163777 Whirlpool Refrigerator Fan Blade |
| 12 | Control Box |
| 13 | Thermostat Assembly (Includes Items 5, 18, & 36) |
| 14 | Clip, Defrost Timer |
| 15 | Screw |
| 16 | Cover, Evaporator |
| 17 | W11679940 Whirlpool Refrigerator Light Bulb Assembly |
| 18 | Weight, Thermal |
| 19 | W11384469 Whirlpool Door Switch |
| 20 | Wire Assembly, Freezer Compartment |
| 21 | Cover, Air Diffuser |
| 22 | Slide, Knob |
| 23 | Air Tower |
| 24 | WP2189452 Whirlpool Refrigerator Diffuser |
| 25 | Freezer Floor |
| 26 | Air Diffuser, Top |
| 27 | WP2217784 Whirlpool Refrigerator Cover |
| 28 | WP941839 Whirlpool Refrigerator Button Plug |
| 29 | Bracket, Fan Motor |
| 30 | WP2254360 Whirlpool Refrigerator Gasket |
| 31 | 4388450 Whirlpool Refrigerator Insert |
| 32 | WP487996 Whirlpool Refrigerator Cap Tube |
| 33 | WP489442 Whirlpool Refrigerator Screw |
| 35 | Light Bar (FC) |
| 36 | WP2205079 Whirlpool Refrigerator Seal |
| 39 | Housing Base |
| 40 | PC Board, Freezer Light |
| 41 | Wiring Harness, Freezer Light |
| 42 | Electrical Shield, Freezer Light |
| 43 | 4396822 Whirlpool Refrigerator Light Bulb |
| 44 | Cover, Freezer Light |
| 45 | Shroud, Icemaker |
| 46 | Wiring Harness, Freezer Light |
| 47 | Shield, Electrical Heat |
| 48 | Gasket, Rear |
| 49 | Pullout, Freezer Floor |
| 50 | Rear Fence, Pull- Out Freezer Floor |
| 51 | Roller, Slide |
| 52 | Side Support, Floor Assembly |
| 53 | Center Support, Floor Assembly |
| 54 | Trim, Pullout Freezer Floor |
| 58 | 2171846 Whirlpool Refrigerator Release Valve |
| 60 | Grommet, Light Fiber |
| 61 | Cover, Control Box Front |