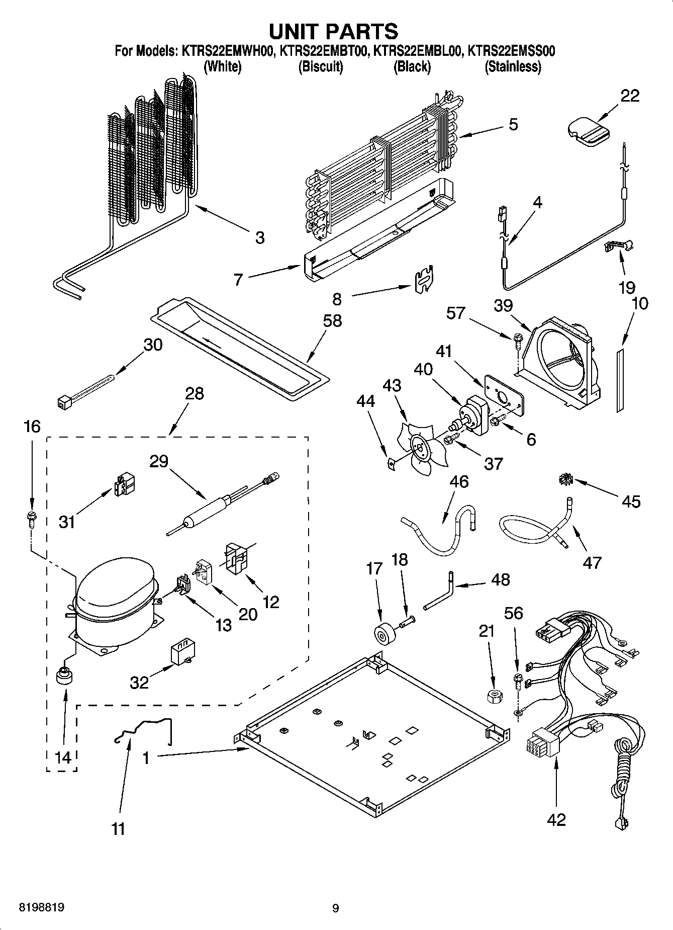
KTRS22EMBL00 05 – UNIT PARTS

KTRS22EMBL00 05 – UNIT PARTS

Products

PositionProduct
1Plate, Unit Mounting
3WP2214960 Whirlpool Refrigerator Condenser
4WP2315530 Whirlpool Refrigerator Heater
5EVAPORATOR ASSY.
6WP8281196 Whirlpool Screw
7Drain Pan
8Bracket, Heater
10Extension, Air Baffle
11WP2301684 Whirlpool Retainer
12WP2162358 Whirlpool Refrigerator Terminal Cover
13WP2214067 Whirlpool Refrigerator Overload Relay
14WP4387558 Whirlpool Refrigerator Compressor Grommet
14876811 Whirlpool Grommet
17WPW10475495 Whirlpool Roller Assembly
18W11594405 Whirlpool Axle
19Clip, Heater
208201647 Whirlpool Refrigerator Start Device
21Nut (Not Serviced)
22Support Block
28W10309988 Whirlpool Refrigerator Compressor
29W10843121 Whirlpool Refrigerator Tube
30WPW10339879 Whirlpool Wire Tie
31W10920279 Whirlpool Refrigerator Start Relay
32WPW10662129 Whirlpool Refrigerator Run Capacitor
378281197 Whirlpool Refrigerator Screw
39Air Baffle
40W10124096 Whirlpool Refrigerator Condenser Fan Motor Kit with Blade
41Plate
42Wire Assembly Unit
43W11458267 Whirlpool Refrigerator Fan Blade
44WP486692 Whirlpool Refrigerator Nut
45Grommet
462205533 Whirlpool Refrigerator Tube
472214924 Whirlpool Refrigerator Tube
482154109 Whirlpool Refrigerator Tube
56WP489128 Whirlpool Refrigerator Screw
573400518 Whirlpool Oven Foot Mount Screw
58978026 Whirlpool Refrigerator Primary Valve
58Following Parts Not Illustrated and Optional Parts Not Included
58VALVE, ACCESS (1/2``)
58WP978025 Whirlpool Refrigerator Valve
58978030 Whirlpool Refrigerator Valve
58876764 Whirlpool Refrigerator Primary Valve
588201826 Whirlpool Refrigerator Evaporator Tray
58978027 Whirlpool Refrigerator Primary Valve
58VALVE, ACCESS (5/8``)
58REFRIGERANT CHARGE 4.0 Ozs. (R134A)