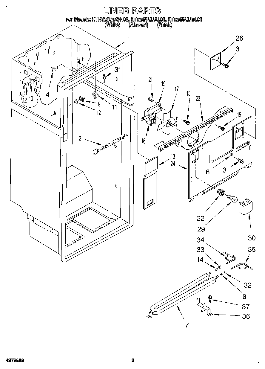
KTRS25QDWH00 02 – LINER