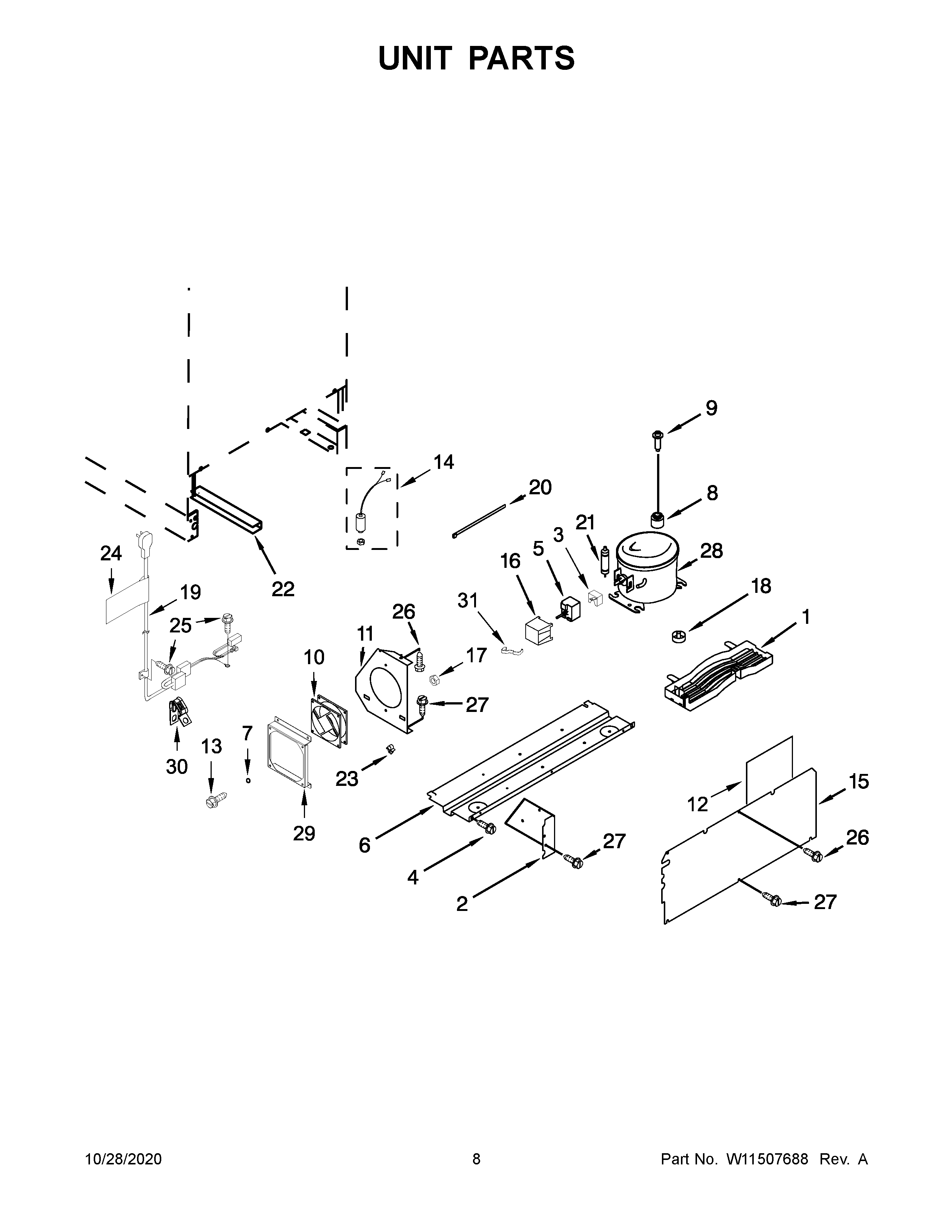
KUBL204ESB01 05 – UNIT PARTS