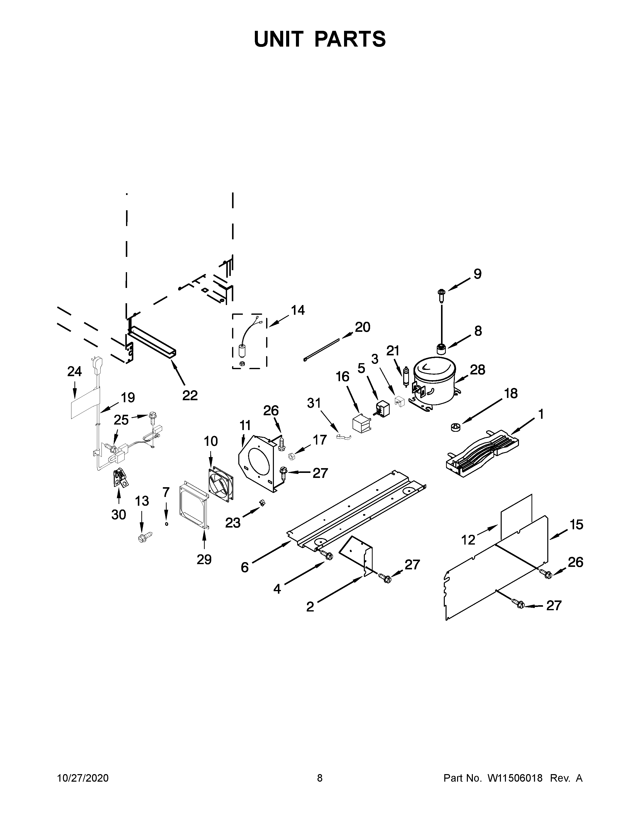
KUBR304ESS01 05 – UNIT PARTSadmin2025-04-26T12:43:10+00:00KUBR304ESS01 05 – UNIT PARTS ProductsPositionProductNICABINET (NOT A SERVICEABLE PART)1W11506518 Whirlpool Refrigerator Drip Pan2BRACKET, (DEFROST TIMER)3W10780361 Whirlpool Refrigerator Overload Relay44344797 Whirlpool Screw5W10287848 Whirlpool Refrigerator Thermistor6CABINET BASE PLATE7W10204688 Whirlpool Plate Assembly8WP4344779 Whirlpool Refrigerator Grommet9W10772873 Whirlpool Screw10W10772882 Whirlpool Refrigerator Condenser Motor11W10204674 Whirlpool Refrigerator Baffle12INSULATION, REAR COVER13SCREW14W10772895 Whirlpool Refrigerator Capacitor15W10796445 Whirlpool Refrigerator Back Cover16COVER, RELAY17NUT18W10163276 Whirlpool Refrigerator Trap19WPW10204676 Whirlpool Refrigerator Power Cord204344829 Whirlpool Tie Wire21W10163273 Whirlpool Refrigerator Tube22TRIM, EDGE23W10238022 Whirlpool Refrigerator Clip244344913 Whirlpool Label Assembly254344826 Whirlpool Refrigerator Screw26SCREW27W11380570 Whirlpool Microwave Screw28COMPRESSOR29W11506521 Whirlpool Refrigerator Bracket30CLAMP, CORD31CLIP, RELAY COVER