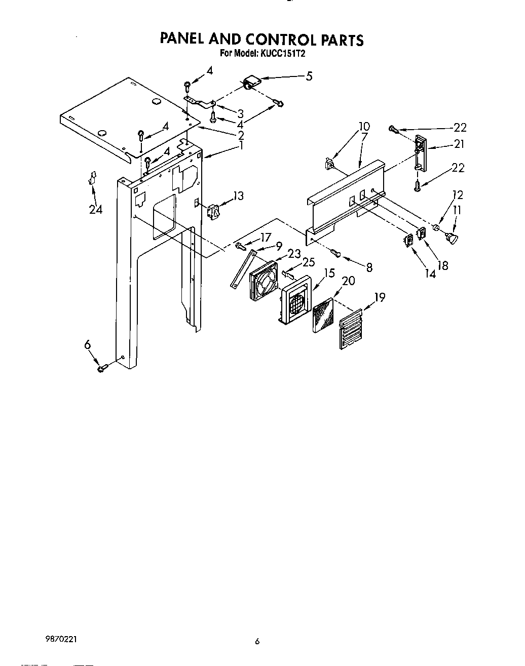
KUCC151T2 06 – PANEL AND CONTROLadmin2025-04-26T12:45:01+00:00KUCC151T2 06 – PANEL AND CONTROL ProductsPositionProduct1Panel, Front Frame2Cover, Top3W11729437 Whirlpool Retaining Bracket4Screw5WP780239 Whirlpool Compactor Bracket Retainer6WP489069 Whirlpool Compactor Screw7Escutcheon, Control8Screw, 6-20 x 3/8 (2)94152703 Whirlpool Fan Strap10675382 Whirlpool Trash Compactor On Off Start Top Limit Switch11776594 Whirlpool Power Switch Knob12WP777383 Whirlpool Compactor Nut13WP4387911 Whirlpool Refrigerator Switch14WP4314961 Whirlpool Lite Switch159871893 Whirlpool Compactor Fan Filter17WP3351614 Whirlpool Screw19Cover, Air Freshener (Black)20WP4151750 Whirlpool Charcoal Air Filter21End Cap, Escutcheon (R.H.)21End Cap, Escutcheon (L.H.)254151897 Whirlpool Compactor Clip