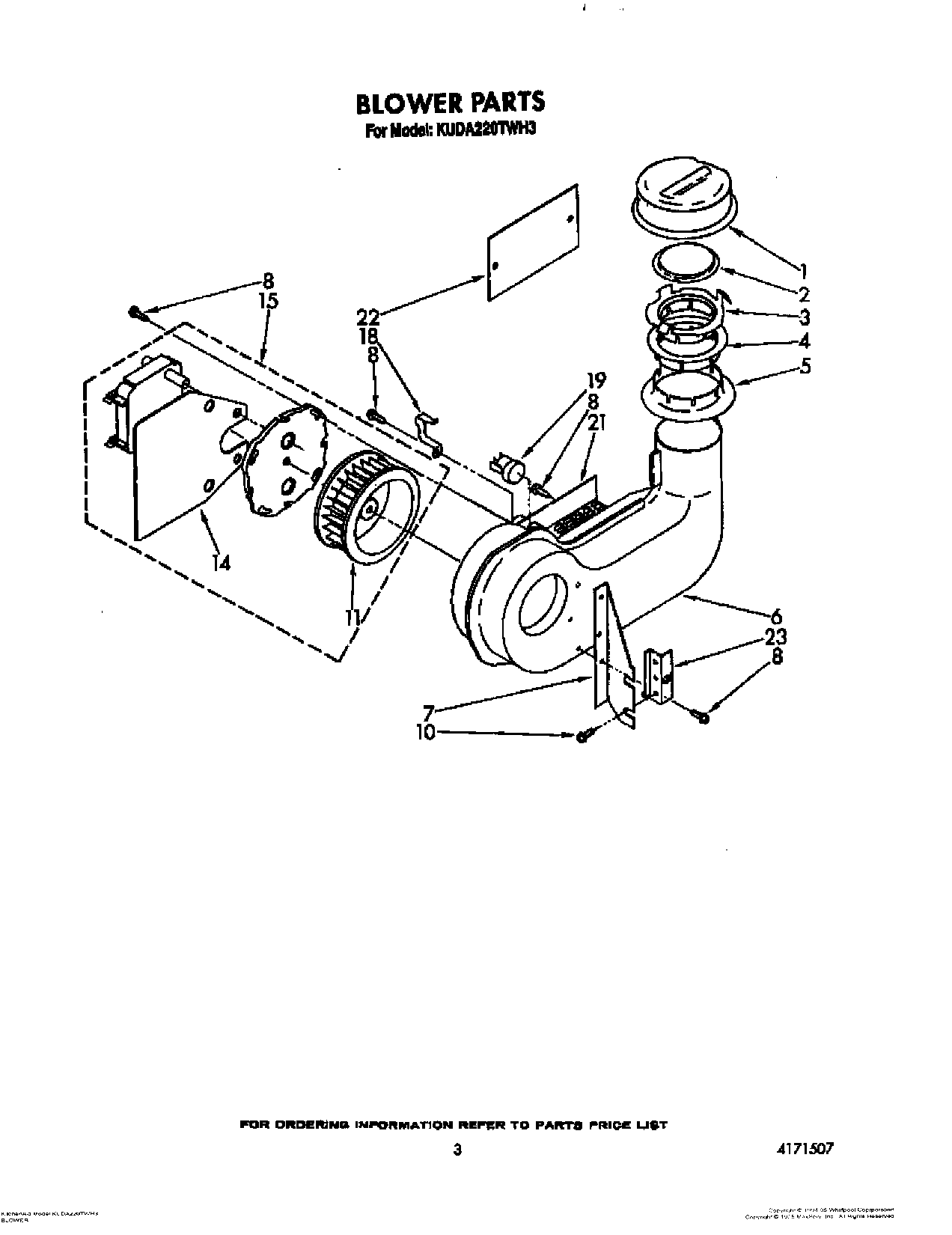
KUDA220TWH3 03 – BLOWER