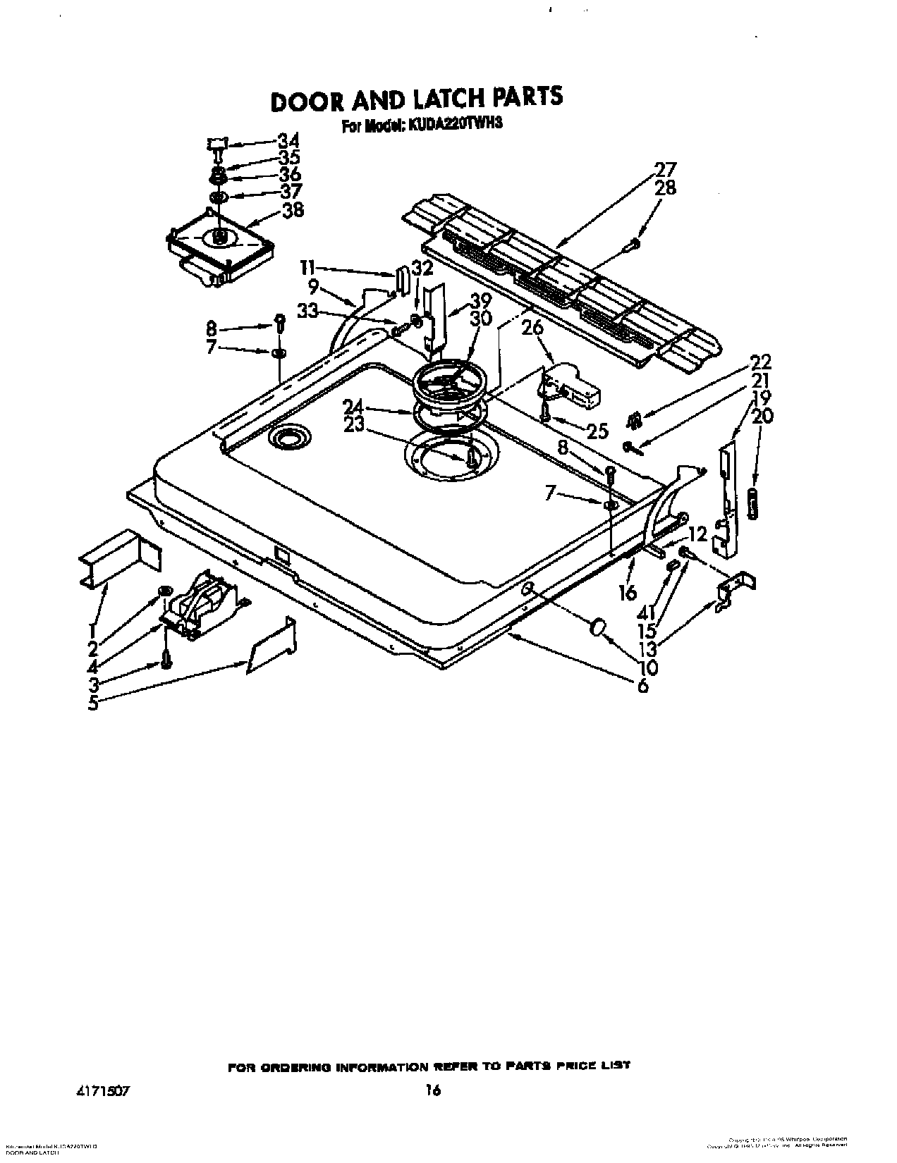
KUDA220TWH3 13 – DOOR AND LATCH